SKFSIR35ES轴承详细参数

发布时间:2026-04-16
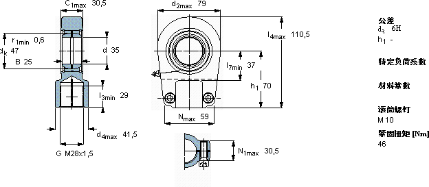
需要维护的杆端, 钢对钢,阴螺纹,用于液压滚筒
主要数据尺寸 角度倾的 基本负荷额定值 质量 型号
动态 静态 杆端带右旋螺纹
d d2 B d3 C1 h1± C C0
6H
mm 度数 kN kg -
357925M28x1,530,5706801181,20SIR 35 ES

SKFSIR35ES需维护的杆端关节轴承供应商

八零动力专业销售SIR35ES需维护的杆端关节轴承,库存SKFSIR35ES大量现货,与SKF合作,咨询热线:022-58519723业务咨询
SKFSIR35ES它的质量可靠,是众多机械设备制造商的首选配件它的精密设计,展现了人类智慧的巅峰 给您意想不到的顺畅体验,它的故障率极低,确保了设备的稳定运行 这轴承的选材讲究,坚固耐用,寿命远超同类产品稳定持久,八零动力SKF需维护的杆端关节轴承品种全,价格优,质量有保证!

用户关注最多的SKF轴承型号

SKF22314EK/VA405* SKF314719C SKF7016AC/DF SKF71911ACD/P4A SKFC2211V* SKFCR14214 SKFCR27362 SKFCR28686 SKFCR30X42X8HMS5V SKFCR85009 SKFFYRP1.11/16H SKFPCZ1412M SKFPFT1.1/16WF SKFSC7014FB/P7 SKFZ302

SIR35ES需维护的杆端关节轴承近似的SKF轴承型号

SKFSA35ES-2RS SKFSIL35ES-2RS SKFSIR35ES SKFSCF35ES SKFSAL35ES-2RS SKFSI35ES-2RS SKFSC35ES SKFSIR30ES SKFSIR40ES

用户关注最多的轴承狗热门型号

SKF  NJ2219E NSK  NU2219W FAG  BND3138-H-W-T-BL-S 国产  NK22/16 INA  BKE.TSX45-D SKF  61820-RZ 国产  7013CTA NTN  7011AC FAG  VRE308-E FLT  NU2232E FAG  32330-A NSK  232/670CAE4 SNR  7328B/DB KOYO  6004-2Z NTN  NA4928

版权所有©2009-2015 轴承狗zcgou.com ICP备案:津ICP备14004550号-13