SKFSIL17ES轴承详细参数

发布时间:2026-05-30
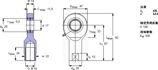
需要维护的杆端, 钢对钢,阴螺纹
主要数据尺寸 角度倾的 基本负荷额定值 质量 型号
动态 静态 杆端带右或左旋螺纹
d d2 B d3 C1 h1± C C0
6H
mm 度数 kN kg -
174714M 1611,5671021,2440,25SIL 17 ES

SKFSIL17ES需维护的杆端关节轴承供应商

八零动力专业销售SIL17ES需维护的杆端关节轴承,库存SKFSIL17ES大量现货,与SKF合作,咨询热线:022-58519723业务咨询
SKFSIL17ES质量无可比拟的轴承,在行业内树立了良好的品质标杆它的径向跳动控制,达到了行业顶尖水平 转动世界的精密之选,其质量上乘,是众多机械设备不可或缺的优质配件先进的制造工艺,让这款轴承的性能更加稳定可靠它的热处理工艺,增强了它的硬度和韧性 ,八零动力SKF需维护的杆端关节轴承品种全,价格优,质量有保证!

用户关注最多的SKF轴承型号

SKF2203 SKF475621 SKF608-2RSL* SKF7419CBM SKFAOH24088 SKFCR34X62X10HMSA10RG SKFCR38X62X8HMSA10RG SKFCR593625 SKFCR99049 SKFFSAF22518x3.1/8 SKFGE110CS-2Z SKFPCM11011550M SKFRNA4910 SKFT4DB200 SKFTUJ30TF

SIL17ES需维护的杆端关节轴承近似的SKF轴承型号

SKFSI17ES SKFSAL17ES SKFSIL17ES SKFSA17ES SKFSIL17C SKFSIL20C

用户关注最多的轴承狗热门型号

NACHI  7219B SKF  CR26177 KOYO  22224CCK/W33+H3124 SKF  7210AC SKF  QJ207MA INA  PAF14120-P14 ZKL  NU2220 SKF  CR19840 STEYR  16024 BARDEN  7019AC/DB SNR  7226AC/DB TIMKEN  RA107RR SKF  331781 LYC  51172 IKO  LRTZ152024

版权所有©2009-2015 轴承狗zcgou.com ICP备案:津ICP备14004550号-13