SKFSIKB6F轴承详细参数

发布时间:2026-04-14
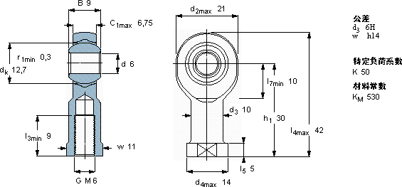
免维护杆端, 阴螺纹, 钢/PTFE复合材料
主要数据尺寸 角度倾的 基本负荷额定值 质量 型号
动态 静态 轴承座完全与密封件
d d2 B d3 C1 h1± C C0
6H
mm 度数 kN kg -
6219M 66,7530134,256,80,028SIKB 6 F

SKFSIKB6F免维护的杆端关节轴承供应商

八零动力专业销售SIKB6F免维护的杆端关节轴承,库存SKFSIKB6F大量现货,与SKF合作,咨询热线:022-58519723业务咨询
SKFSIKB6F它在包装机械中的应用,确保了设备的高效率 制造工艺先进,使得这款轴承的性能远超普通产品它的加工精度,确保了机械运转的稳定性 让您的设备高效运行,先进的生产工艺,让这款轴承的性能得到了极大提升稳定的传奇,八零动力SKF免维护的杆端关节轴承品种全,价格优,质量有保证!

用户关注最多的SKF轴承型号

SKF1380/1328/Q SKF81156 SKFBCSB320806A SKFBS2B243126 SKFC2212KTN9* SKFCR24263 SKFCR38740 SKFEE3TN9 SKFN314ECNJ* SKFNCF3060CV SKFNKI55/35 SKFPF1.RM SKFSAF22318 SKFSIA60TXE-2LS SKFSNW32x5.3/4

SIKB6F免维护的杆端关节轴承近似的SKF轴承型号

SKFSILKB8F SKFSIKB18F SKFSAKB14F SKFSIA70TXE-2LS SKFSAA70TXE-2LS SKFSILKB5F SKFSA8C SKFSA10C SKFSIKB20F SKFSIKB16F/VZ019 SKFSIKB5F/VZ019 SKFSIKB8F

用户关注最多的轴承狗热门型号

TIMKEN  6SF10-TT SKF  7002C NTN  NJ317E FAG  ZRB23X36-QP 国产  61919NR NTN  NU411 FAG  BND3032-Z-T-AL-S LYC  NJ 314 ENM/C9YA4 FAG  SNV085-L + 20209-TVP + TSV209 国产  7207CETA TORRINGTON  24140CC/W33 NTN  F626-Z NACHI  6204-2NKE IKO  GBR364828 IKO  CFE20-1VBR

版权所有©2009-2015 轴承狗zcgou.com ICP备案:津ICP备14004550号-13