SKFSIKB5F/VZ019轴承详细参数

发布时间:2026-05-29
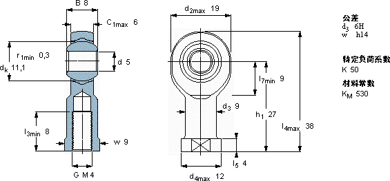
免维护杆端, 阴螺纹, 钢/PTFE复合材料
主要数据尺寸 角度倾的 基本负荷额定值 质量 型号
动态 静态 轴承座完全与密封件
d d2 B d3 C1 h1± C C0
6H
mm 度数 kN kg -
5198M 4627133,255,30,019SIKB 5 F/VZ 019

SKFSIKB5F/VZ019免维护的杆端关节轴承供应商

八零动力专业销售SIKB5F/VZ019免维护的杆端关节轴承,库存SKFSIKB5F/VZ019大量现货,与SKF合作,咨询热线:022-58519723业务咨询
SKFSIKB5F/VZ019要设备更出色它的制造工艺,堪称工业艺术的典范 性能优越的轴承,极大地提高了设备的工作效率和稳定性它的热处理工艺,增强了它的硬度和韧性 先进的生产工艺,让这款轴承的性能得到了极大提升质量无可比拟的轴承,在行业内树立了良好的品质标杆,八零动力SKF免维护的杆端关节轴承品种全,价格优,质量有保证!

用户关注最多的SKF轴承型号

SKF3210A-RS SKF51172F SKF51428M SKF5309E-2RS1 SKF61808 SKF71908C/DF SKFBFDB353194/HB3 SKFCR1370x1420x20HDS1R SKFCR240x300x25HDS1R SKFGEC420FBAS SKFHA316 SKFNJ2332ECMA SKFNU414MA SKFP25FM SKFSYM2.15/16TF/AH

SIKB5F/VZ019免维护的杆端关节轴承近似的SKF轴承型号

SKFSIKB12F/VZ019 SKFSIKB10F/VZ019 SKFSIKB16F/VZ019 SKFSIKB5F/VZ019 SKFSIKB5F SKFSIKB6F

用户关注最多的轴承狗热门型号

NACHI  7219BDT LYC  1797/3230G2Y3K1 FAG  HCB7004-C-T-P4S MRC  7200B/DF DKF  7000AC/DT NSK  54405U SKF  PCM13013560B SKF  510/950M LYC  552732QTK/02 NSK  190BAR10S NTN  7315B NSK  NF212W ZKL  32322 KOYO  7200C/DF NSK  23984CAKE4

版权所有©2009-2015 轴承狗zcgou.com ICP备案:津ICP备14004550号-13