SKFSIKB8F轴承详细参数

发布时间:2026-04-16
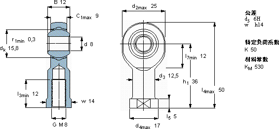
免维护杆端, 阴螺纹, 钢/PTFE复合材料
主要数据尺寸 角度倾的 基本负荷额定值 质量 型号
动态 静态 轴承座完全与密封件
d d2 B d3 C1 h1± C C0
6H
mm 度数 kN kg -
82512M 8936147,111,40,047SIKB 8 F

SKFSIKB8F免维护的杆端关节轴承供应商

八零动力专业销售SIKB8F免维护的杆端关节轴承,库存SKFSIKB8F大量现货,与SKF合作,咨询热线:022-58519723业务咨询
SKFSIKB8F旋转无忧它的可靠性,赢得了无数用户的信赖 这款轴承的运转平稳,几乎听不到任何噪音,令人惊艳为您的设备保驾护航,让机械运转无忧它的精密性,让它在高精度设备中无可替代 它的旋转精度,让高速运转成为现实 ,八零动力SKF免维护的杆端关节轴承品种全,价格优,质量有保证!

用户关注最多的SKF轴承型号

SKF23132CC/W33 SKF24126CCK30/W33+AH24126* SKF2x7317BECCM* SKF30212J2/Q SKF312942 SKF32048T172X/DB SKF71905CD/HCP4A SKF71915ACE/HCP4A SKF7308BECCY SKFC3026K+AHX3026* SKFCR414003 SKFCR40X62X8HMSA10RG SKFCR595636 SKFCR87480 SKFHMVC142E

SIKB8F免维护的杆端关节轴承近似的SKF轴承型号

SKFSIL45TXE-2LS SKFSIL15C SKFSILKB22F SKFSAKB10F SKFSILKB6F SKFSIL12C SKFSIL17C SKFSA35TXE-2LS SKFSA25C SKFSILA80TXE-2LS SKFSIKB6F SKFSIL10C

用户关注最多的轴承狗热门型号

SKF  AN21 FYH  UCP204 FAG  SNV150-L + 1217-K-TVH-C3 + H217X300 + TSV517X300 NSK  NUP2309ET NTN  7208B FLT  NUP2309 KOYO  23248CCK/W33+H2348 SKF  CR38X60X10HMSA10RG NACHI  E32011J SKF  NJ415+HJ415 NACHI  231/710EW33K LYC  23121/C5 IKO  PHS4EC IKO  CFS2F IKO  LM81524

版权所有©2009-2015 轴承狗zcgou.com ICP备案:津ICP备14004550号-13