SKFSIL45TXE-2LS轴承详细参数

发布时间:2026-04-15
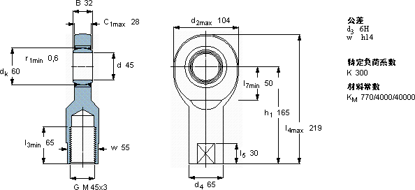
免维护杆端, 阴螺纹, 钢/PTFE织物 , 两面密封件
主要数据尺寸 角度倾的 基本负荷额定值 质量 型号
动态 静态 轴承座完全与密封件
d d2 B d3 C1 h1± C C0
6H
mm 度数 kN kg -
4510432M 45x32816573602243,20SIL 45 TXE-2LS

SKFSIL45TXE-2LS免维护的杆端关节轴承供应商

八零动力专业销售SIL45TXE-2LS免维护的杆端关节轴承,库存SKFSIL45TXE-2LS大量现货,与SKF合作,咨询热线:022-58519723业务咨询
SKFSIL45TXE-2LS它的抗氧化性能,延长了它的使用寿命 其设计和制造工艺都达到了国际先进水平,是一款优质轴承设计合理、性能优良的轴承,是机械设备的理想之选它的质量过硬,为机械设备的高效、安全、稳定运行 它在包装机械中的应用,确保了设备的高效率 它的质量过硬,为机械设备的高效、安全运行提供了保障,八零动力SKF免维护的杆端关节轴承品种全,价格优,质量有保证!

用户关注最多的SKF轴承型号

SKF16009/HR11TN SKF240/500ECA/W33* SKF628/6-2Z SKFCR58X80X10HMS5V SKFCR99306 SKFCRM18A SKFHCRE070R SKFHE2322 SKFNJ307E SKFNJ309ECP SKFNU20/670ECMA SKFNUP207E SKFNUP2316ECP* SKFOKBS93 SKFPCMW223801.5B

SIL45TXE-2LS免维护的杆端关节轴承近似的SKF轴承型号

SKFSILA45TXE-2LS SKFSAL45TXE-2LS SKFSAA45TXE-2LS SKFSIA45TXE-2LS SKFSA45TXE-2LS SKFSIL45TXE-2LS SKFSALA45TXE-2LS SKFSI45TXE-2LS SKFSIL45ES-2RS SKFSIL50ES-2RS

用户关注最多的轴承狗热门型号

TORRINGTON  HK2820 LYC  NUP 10/560 M/P5 SKF  NX20Z SKF  71912DB/P7 SNR  7219AC SNR  30308 FAG  BND3124-H-W-Y-AF-S MAC  NJ309 MAC  NJ203 NSK  7324ADT LYC  1204 K KOYO  RF384426 INA  WS81164 SKF  23192CAK/W33+AOHX3192G* IKO  TAFI8011035

版权所有©2009-2015 轴承狗zcgou.com ICP备案:津ICP备14004550号-13