SKF23234CCK/W33+H2334*轴承详细参数

发布时间:2026-04-14
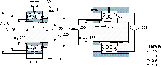
球面滚子轴承, 带紧定套的
主要数据尺寸 基本负荷额定值 疲劳负荷限值 额定速度 体积 型号
动态 静态 参照速度 限制速度 轴承 + 紧定套
d1 D B C C0 Pu
* - SKF Explorer 轴承
mm kN kN r/min kg -
150310110140019301731400200046,423234 CCK/W33 + H 2334 *

SKF23234CCK/W33+H2334*球面滚子轴承供应商

八零动力专业销售23234CCK/W33+H2334*球面滚子轴承,库存SKF23234CCK/W33+H2334*大量现货,与SKF合作,咨询热线:022-58519723业务咨询
SKF23234CCK/W33+H2334*设计合理、性能优良的轴承,是机械设备的理想之选品质卓越每一次转动都是精准与力量的完美呈现,这轴承的设计精妙,充分考虑了各种实际应用需求它的耐高温性能,减少了冷却系统的能耗 它的滚动体与沟槽的配合,堪称完美 ,八零动力SKF球面滚子轴承品种全,价格优,质量有保证!

用户关注最多的SKF轴承型号

SKF6307-2RS SKF7209C/DT SKFCR26220 SKFCR65x92x11.13CRWH1R SKFCR95X125X12HMS5V SKFHM30/630 SKFIR10x13x12.5 SKFNCF3024CV SKFNNCL4876CV SKFNNF5028ADA-2LSV SKFNU238ECM* SKFNU3092ECMA SKFOKBS52 SKFW18 SKFWS81209

23234CCK/W33+H2334*球面滚子轴承近似的SKF轴承型号

SKF23234CC/W33* SKF23234CCK/W33* SKF23234CCK/W33+H2334* SKF23234CCK/W33+AH3234G* SKF23234CCK/W33+AH3234G* SKF23234CC/W33

用户关注最多的轴承狗热门型号

RHP  7006C/DF SKF  CR43X62X8HMSA10V SKF  NA4900RS SKF  3201A-RS1 LYC  E672736U NSK  LM3520 FAG  H305X013 LYC  NU 2212 M NSK  NN3014TBKR DKF  7010AC/DF SKF  4215ATN9 LYC  22211 K TIMKEN  K6X9X8TN INA  CRB20/76 IKO  CRB15030UU

版权所有©2009-2015 轴承狗zcgou.com ICP备案:津ICP备14004550号-13