SKFSI35TXE-2LS轴承详细参数

发布时间:2026-05-31
免维护杆端, 阴螺纹, 钢/PTFE织物 , 两面密封件
主要数据尺寸 角度倾的 基本负荷额定值 质量 型号
动态 静态 轴承座完全与密封件
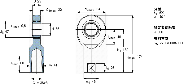
d d2 B d3 C1 h1± C C0
6H
mm 度数 kN kg -
358425M 36x32213062241341,40SI 35 TXE-2LS

SKFSI35TXE-2LS免维护的杆端关节轴承供应商

八零动力专业销售SI35TXE-2LS免维护的杆端关节轴承,库存SKFSI35TXE-2LS大量现货,与SKF合作,咨询热线:022-58519723业务咨询
SKFSI35TXE-2LS它的抗氧化性能,延长了它的使用寿命 它的抗压强度,让它承载能力惊人 它的抗震性能,确保了它在振动环境下的可靠性 卓越的设计和可靠的性能,是这款轴承的两大亮点这款轴承的性能卓越,有效提高了设备的运行可靠性高精度的制造工艺,让这款轴承的性能更加出色,八零动力SKF免维护的杆端关节轴承品种全,价格优,质量有保证!

用户关注最多的SKF轴承型号

SKF25590/25522/Q SKF30326T142J2/DB11C150 SKF618/8 SKF7018CD/HCP4A SKF7207CD/HCP4A SKFC31/560KMB+AOH31/560* SKFCR1275580 SKFCR403756 SKFCR99188 SKFFY1.1/8FM SKFFYR2.3/4-3 SKFFYTL40TR/VE495 SKFNNCL4868CV SKFNNF5020ADB-2LSV SKFYEL205-100-2FCW

SI35TXE-2LS免维护的杆端关节轴承近似的SKF轴承型号

SKFSI35TXE-2LS SKFSA35TXE-2LS SKFSIL35TXE-2LS SKFSAL35TXE-2LS SKFSI35ES-2RS SKFSI40ES-2RS

用户关注最多的轴承狗热门型号

BARDEN  7228AC/DB STEYR  NU2204 BARDEN  7309C NTN  NUP210 SKF  HK1512 SKF  1318K SKF  81212 TIMKEN  M235149/M235113CD/M235149XB DKF  7209AC SKF  CR17780 SKF  CR70X95X10HMS5V TIMKEN  596/592-B LYC  6012 E/C3 NACHI  NJ214E TIMKEN  23152YMB

版权所有©2009-2015 轴承狗zcgou.com ICP备案:津ICP备14004550号-13