SKFSC70ES轴承详细参数

发布时间:2026-04-16
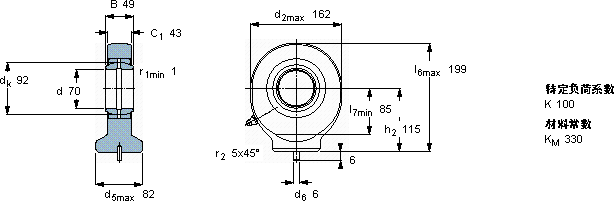
需要维护的杆端, 钢对钢,焊接柄
主要数据尺寸 角度倾的 基本负荷额定值 质量 型号
动态 静态
d d2 B C1 h2± C C0
最大
mm 度数 kN kg -
70162494311563154555,80SC 70 ES

SKFSC70ES需维护的杆端关节轴承供应商

八零动力专业销售SC70ES需维护的杆端关节轴承,库存SKFSC70ES大量现货,与SKF合作,咨询热线:022-58519723业务咨询
SKFSC70ES它的品质卓越,为机械设备的高效运行提供了坚实后盾它的高可靠性,减少了设备停机时间 它的径向跳动控制,达到了行业顶尖水平 它的耐磨性能,让它在恶劣环境下依然稳定运行 质量无可挑剔的轴承,在行业内树立了良好的口碑和形象它在包装机械中的应用,确保了设备的高效率 ,八零动力SKF需维护的杆端关节轴承品种全,价格优,质量有保证!

用户关注最多的SKF轴承型号

SKF21308CC SKF53228U SKF6314N* SKFBTM130B/HCP4CDBB SKFCR27370 SKFCR32X72X7HMSA10V SKFCR36X58X10HMSA10RG SKFFYTJ50KF SKFGEM70ES-2RS SKFGEZ112ES-2RS SKFN1013KTNHA/HC5SP SKFNJ2212ECML* SKFNUP2311ECP* SKFOKTC690 SKFYEL205-015-2FCW

SC70ES需维护的杆端关节轴承近似的SKF轴承型号

SKFSIA70ES-2RS SKFSIR70ES SKFSAA70ES-2RS SKFSC70ES SKFSCF70ES SKFSIL70ES-2RS SKFSA70ES-2RS SKFSILA70ES-2RS SKFSI70ES-2RS SKFSALA70ES-2RS SKFSC7024FB/P7 SKFSC71906DB/P7

用户关注最多的轴承狗热门型号

SKF  S7021CD/P4A SKF  230/530CAK/W33* KOYO  6020-RZ SNR  6209-RS SKF  PCM131510B FAG  SNV130-L + 1215-K-TVH-C3 + H215 + TSV515 TIMKEN  44156/44363D 国产  53320U SKF  SR3/4FM SKF  7203AC TIMKEN  34306/34478D NTN  GE60ES GMN  7238C/DF TIMKEN  528/520X SKF  YAR210-112-2F

版权所有©2009-2015 轴承狗zcgou.com ICP备案:津ICP备14004550号-13