SKFSI70ES-2RS轴承详细参数

发布时间:2026-04-26
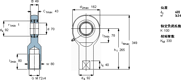
需要维护的杆端, 钢对钢,阴螺纹, 两面密封件
主要数据尺寸 角度倾的 基本负荷额定值 质量 型号
动态 静态 杆端带右或左旋螺纹
d d2 B d3 C1 h1± C C0
6H
mm 度数 kN kg -
7016249M 72x443265631553010,5SI 70 ES-2RS

SKFSI70ES-2RS需维护的杆端关节轴承供应商

八零动力专业销售SI70ES-2RS需维护的杆端关节轴承,库存SKFSI70ES-2RS大量现货,与SKF合作,咨询热线:022-58519723业务咨询
SKFSI70ES-2RS它的抗磨损涂层,让它更加耐用 它的静音设计,让机械运转如丝般顺滑 转动的艺术坚固的结构稳定的性能机械的心脏它在电子设备中的应用,展现了它的高精密性 ,八零动力SKF需维护的杆端关节轴承品种全,价格优,质量有保证!

用户关注最多的SKF轴承型号

SKF23076CCK/W33+AOH3076G* SKF23264CCK/W33* SKF2x7321BECBM SKF30221J2 SKF33014/Q SKF7205BEGCP* SKFBC4B322930/HA4 SKFBTM80A/HCP4CDBB SKFCR16368 SKFK60x66x40ZW SKFN2209 SKFNJ311ECM* SKFOKF320 SKFS71910CD/HCP4A SKFSAFC3048KAx8.1/2

SI70ES-2RS需维护的杆端关节轴承近似的SKF轴承型号

SKFSI70ES-2RS SKFSA70ES-2RS SKFSILA70ES-2RS SKFSIA70ES-2RS SKFSCF70ES SKFSIL70ES-2RS SKFSAL70ES-2RS SKFSALA70ES-2RS SKFSIR70ES SKFSAA70ES-2RS SKFSI6E SKFSI70TXE-2LS

用户关注最多的轴承狗热门型号

INA  PCJTY40-N KOYO  NJ417+HJ417 MRC  7314C TORRINGTON  23088CAC/W33 INA  CSCA025 GMN  7008AC/DT TIMKEN  140FSH230-TT SKF  KMT0 SKF  6215-2Z/VA201 SKF  2219M SKF  52310 FLT  N410 FAG  ZRB17X17-QP RHP  71914AC TIMKEN  96825/96140CD

版权所有©2009-2015 轴承狗zcgou.com ICP备案:津ICP备14004550号-13