SKFSAL8C轴承详细参数

发布时间:2026-04-14
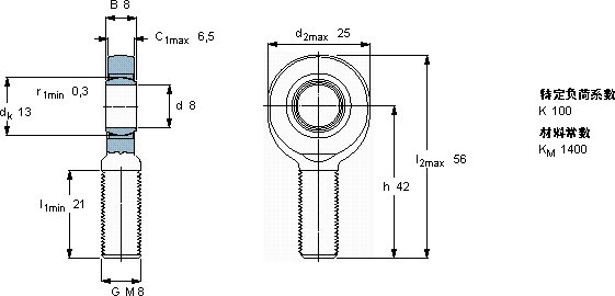
免维护杆端, 阳螺纹, 钢/烧结铜复合材料
主要数据尺寸 角度倾的 基本负荷额定值 质量 型号
动态 静态 轴承座完全与密封件
d d2 B d3 C1 h ± C C0
6g
mm 度数 kN kg -
8258M 86,542155,8512,90,029SAL 8 C

SKFSAL8C免维护的杆端关节轴承供应商

八零动力专业销售SAL8C免维护的杆端关节轴承,库存SKFSAL8C大量现货,与SKF合作,咨询热线:022-58519723业务咨询
SKFSAL8C卓越的设计和可靠的性能,是这款轴承的两大亮点品质永相随这轴承的质量过硬,经得起时间和高强度工作的考验优秀的设计和卓越的性能,让这款轴承备受青睐设计合理、性能优良的它,是机械设备稳定运行的重要保障持久转动,八零动力SKF免维护的杆端关节轴承品种全,价格优,质量有保证!

用户关注最多的SKF轴承型号

SKF23134CCK/W33* SKF3203A-2ZTN9/MT33 SKF387A/382A/Q SKF54416U SKF7209AC/DB SKFBDAB307785 SKFCR2490 SKFCR25X62X8HMSA10RG SKFE2.6205-2Z/C3 SKFNA4902.2RS SKFNCF2238V SKFNNU4976/W33 SKFOH39/500HE SKFPCMW122401.5E SKFSY2.1/4FM

SAL8C免维护的杆端关节轴承近似的SKF轴承型号

SKFSA40TXE-2LS SKFSAL40TXE-2LS SKFSA35TXE-2LS SKFSILA45TXE-2LS SKFSIL70TXE-2LS SKFSA80TXE-2LS SKFSALKB20F SKFSAKB22F SKFSAA70TXE-2LS SKFSIL10C SKFSAL80TXE-2LS SKFSAL8E

用户关注最多的轴承狗热门型号

MRC  N228 SKF  NA4928 DKF  7028AC/DB SKF  24076CACK30/W33 STEYR  6303-Z NTN  N1076 RHP  7336B NTN  7202AC/DB 国产  NUP308ETN1 FAG  SNV140-L + 1313-K-TVH-C3 + H313 + TSV613 KOYO  R15/13 FAG  32311-B 国产  NU308M INA  GAKL18-PW IKO  SB9515082

版权所有©2009-2015 轴承狗zcgou.com ICP备案:津ICP备14004550号-13