SKFSALKAC16M轴承详细参数

发布时间:2026-04-15
需要维护的杆端, 钢对青铜,阳螺纹
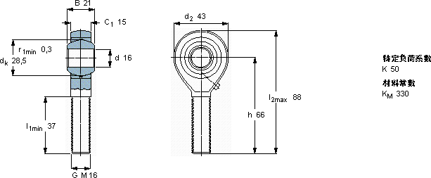
主要数据尺寸 角度倾的 基本负荷额定值 质量 型号
动态 静态 轴承座完全与
d d2 B d3 C1 h ± C C0
6g
mm 度数 kN kg -
164321M 1615661521,623,20,21SALKAC 16 M

SKFSALKAC16M需维护的杆端关节轴承供应商

八零动力专业销售SALKAC16M需维护的杆端关节轴承,库存SKFSALKAC16M大量现货,与SKF合作,咨询热线:022-58519723业务咨询
SKFSALKAC16M它的材质选择,体现了对品质的极致追求 性能优越的轴承,极大地提高了设备的工作效率和稳定性从制造工艺到实际性能,这款轴承都表现得十分出色,它虽小,却是工业革命的基石 它的圆度误差几乎可以忽略不计 每一次转动都是精准与力量的完美呈现,,八零动力SKF需维护的杆端关节轴承品种全,价格优,质量有保证!

用户关注最多的SKF轴承型号

SKF23236CCK/W33+H2336* SKF32004X/Q SKF5307A-2Z* SKFBT4-8002G/HA1 SKFBTM90A/HCP4CDBB SKFCR12X32X7HMS5RG SKFFBSA209/DB SKFGEH110TXG3A-2LS SKFHE319E SKFJM511946/910/Q SKFK100x107x21 SKFNNU4060M/W33 SKFPCMW142601.5M SKFPWM455340 SKFS71924FB/P7

SALKAC16M需维护的杆端关节轴承近似的SKF轴承型号

SKFSILKAC16M SKFSIQG16ES SKFSAKAC16M SKFSALKAC16M SKFSIKAC16M SKFSIQG160ES SKFSIJ16ES SKFSIKAC16M/VZ019 SKFSALKAC14M SKFSALKAC18M

用户关注最多的轴承狗热门型号

SKF  GS81109 SKF  NKI40/30 MAC  NJ328 FAG  23144-B-K-MB + H3144X SKF  7207BEGAP* NACHI  7328DB KOYO  7330C/DT 国产  K/17*23*14ZW SKF  6313-ZNR* SKF  N209ECM* INA  PAS20250-P10 KOYO  29324 KOYO  46380A SKF  LR35x40x16.5 IKO  TAF223016-SG

版权所有©2009-2015 轴承狗zcgou.com ICP备案:津ICP备14004550号-13