SKFSAKB8F轴承详细参数

发布时间:2026-04-14
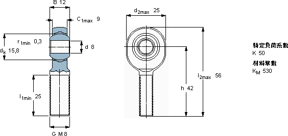
免维护杆端, 阳螺纹, 钢/PTFE复合材料
主要数据尺寸 角度倾的 基本负荷额定值 质量 型号
动态 静态 轴承座完全与密封件
d d2 B d3 C1 h ± C C0
6g
mm 度数 kN kg -
82512M 8942147,1100,035SAKB 8 F

SKFSAKB8F免维护的杆端关节轴承供应商

八零动力专业销售SAKB8F免维护的杆端关节轴承,库存SKFSAKB8F大量现货,与SKF合作,咨询热线:022-58519723业务咨询
SKFSAKB8F精湛的工艺打造出的轴承,精度和稳定性都令人称赞它的质量过硬,为机械设备的高效、安全运行提供了保障卓越的性能表现,让这款轴承在市场上脱颖而出质量上乘的轴承,是提升机械设备性能的关键因素轴承的稳定性和可靠性表现卓越,赢得了广泛赞誉先进的生产工艺,打造出了这款性能卓越的轴承,八零动力SKF免维护的杆端关节轴承品种全,价格优,质量有保证!

用户关注最多的SKF轴承型号

SKF61808-2RZ SKFBT4B334042E1/C575* SKFC2314K+H2314* SKFC30/1250KMB* SKFCR25X35X6HMS5RG SKFE2.6309-2Z/C3 SKFFSAFC2518 SKFK60x68x20 SKFNNU4938BK/SPW33 SKFQJ212N2MA* SKFS71913DB/P7 SKFSDAF22538x6.7/8 SKFSNL3272L SKFW040 SKFW619/6

SAKB8F免维护的杆端关节轴承近似的SKF轴承型号

SKFSAKB22F SKFSIKB16F/VZ019 SKFSALKB22F SKFSALKB14F SKFSIL25C SKFSILKB5F SKFSIL8C SKFSILA60TXE-2LS SKFSA8C SKFSAL12C SKFSAKB6F SKFSAL10C

用户关注最多的轴承狗热门型号

KOYO  6809ZZ NTN  UEL312 NTN  7812CDF LYC  RD-1637505 AA-13 TIMKEN  K25X31X24F SKF  24056CCK30/W33+AOH24056G* LYC  1505 SNR  7017AC/DF SKF  CR14477 TIMKEN  2790/2720 SKF  IR20x24x20 SKF  CR300x360x25HDS2V KOYO  3310A-RS SKF  AN38 国产  LB80A-2RS

版权所有©2009-2015 轴承狗zcgou.com ICP备案:津ICP备14004550号-13