SKFSAKB6F轴承详细参数

发布时间:2026-04-25
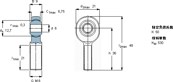
免维护杆端, 阳螺纹, 钢/PTFE复合材料
主要数据尺寸 角度倾的 基本负荷额定值 质量 型号
动态 静态 轴承座完全与密封件
d d2 B d3 C1 h ± C C0
6g
mm 度数 kN kg -
6219M 66,7536134,256,80,021SAKB 6 F

SKFSAKB6F免维护的杆端关节轴承供应商

八零动力专业销售SAKB6F免维护的杆端关节轴承,库存SKFSAKB6F大量现货,与SKF合作,咨询热线:022-58519723业务咨询
SKFSAKB6F性能优越的轴承,极大地提升了设备的工作性能和效率轴承的稳定性和可靠性都十分出色,赢得了用户的信赖高品质的轴承,在复杂工况下也能展现出卓越的性能它的抗拉强度,让它经得起各种考验 轴承的稳定性和可靠性表现卓越,赢得了广泛赞誉它的低噪音设计,减少了对环境的噪音污染 ,八零动力SKF免维护的杆端关节轴承品种全,价格优,质量有保证!

用户关注最多的SKF轴承型号

SKF23088CAC/W33 SKF29326 SKF3313A* SKF71917ACD/HCP4A SKF7206BECAP* SKF7210BEP SKFBC2B316536 SKFC3036K+AH3036* SKFCR12333 SKFCR16X35X7HMSA10V SKFCR18543 SKFCR560x600x18HDS2R SKFN1009KTNHA/HC5SP SKFPCM707570M SKFQJ1076N2MA

SAKB6F免维护的杆端关节轴承近似的SKF轴承型号

SKFSIKB12F SKFSA45TXE-2LS SKFSIL50TXE-2LS SKFSA15C SKFSA80TXE-2LS SKFSALKB18F SKFSIL17C SKFSI30C SKFSA30C SKFSIKB16F/VZ019 SKFSAKB5F SKFSAKB8F

用户关注最多的轴承狗热门型号

国产  51138 ZKL  NU326 ASAHI  UKFU307+H2307 NTN  71934C/DT SKF  CR30145 TIMKEN  74472/74850 FAG  SNV130-L + 2215-K-TVH-C3 + H315X207 + TSV515X207 SNFA  7036C LYC  HDZ65L-21-05 SKF  C30/670KM+OH30/670H* TIMKEN  5313KG TIMKEN  M249749/M249710-B IKO  GTR455930 IKO  BR202820 IKO  CF-RU1-30-2

版权所有©2009-2015 轴承狗zcgou.com ICP备案:津ICP备14004550号-13