SKFSILKB5F轴承详细参数

发布时间:2026-05-30
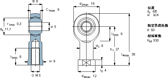
免维护杆端, 阴螺纹, 钢/PTFE复合材料
主要数据尺寸 角度倾的 基本负荷额定值 质量 型号
动态 静态 轴承座完全与密封件
d d2 B d3 C1 h1± C C0
6H
mm 度数 kN kg -
5198M 5627133,255,30,019SILKB 5 F

SKFSILKB5F免维护的杆端关节轴承供应商

八零动力专业销售SILKB5F免维护的杆端关节轴承,库存SKFSILKB5F大量现货,与SKF合作,咨询热线:022-58519723业务咨询
SKFSILKB5F性能优越的轴承,极大地提高了设备的工作效率和稳定性性能优越的轴承,极大地提升了设备的工作性能和效率它机械世界的心脏,默默支撑着无数设备的运转 它在包装机械中的应用,确保了设备的高效率 为您的机械注入强大动力,它的承载能力,堪称机械界的“大力士” ,八零动力SKF免维护的杆端关节轴承品种全,价格优,质量有保证!

用户关注最多的SKF轴承型号

SKF1304ETN9 SKF207-2Z SKF51112 SKF609/HR22Q2 SKF7020AC/DF SKFBTW100CTN9/SP SKFCR13527 SKFCR15076 SKFCR42592 SKFCR72X100X10HMS5RG SKFCR9805 SKFJHM720249/210/Q SKFPCM9510060M SKFSDAF23060KAx10.15/16 SKFT2ED055/QCLN

SILKB5F免维护的杆端关节轴承近似的SKF轴承型号

SKFSIA50TXE-2LS SKFSIL70TXE-2LS SKFSIL17C SKFSAL10C SKFSAL12C SKFSALKB22F SKFSIKB10F SKFSALKB16F SKFSAL8C SKFSALA80TXE-2LS SKFSILKB22F SKFSILKB6F

用户关注最多的轴承狗热门型号

INA  PAPZ0908-P10 KOYO  3308A-RS SKF  PCM556060B RIV  NF310 LYC  6202 E-2RZ/C3Z1LHT FAG  NNU4934-S-K-M-SP NACHI  SN624FE INA  4112-AW NACHI  6805ZZE INA  RMWE15-RB/119x../24 SKF  BC4B322930/HA4 SKF  NNU40/630KM/W33 NSK  7220ADT SKF  MBL36 IKO  CF5

版权所有©2009-2015 轴承狗zcgou.com ICP备案:津ICP备14004550号-13