SKFSAKB18F轴承详细参数

发布时间:2026-04-15
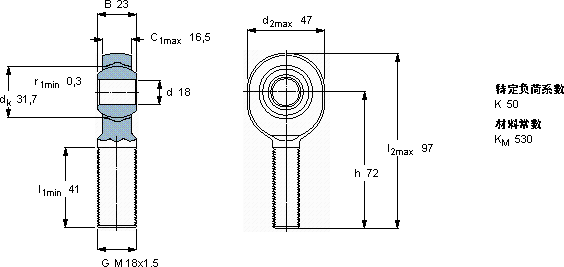
免维护杆端, 阳螺纹, 钢/PTFE复合材料
主要数据尺寸 角度倾的 基本负荷额定值 质量 型号
动态 静态 轴承座完全与密封件
d d2 B d3 C1 h ± C C0
6g
mm 度数 kN kg -
184723M 18x1.516,572152641,50,29SAKB 18 F

SKFSAKB18F免维护的杆端关节轴承供应商

八零动力专业销售SAKB18F免维护的杆端关节轴承,库存SKFSAKB18F大量现货,与SKF合作,咨询热线:022-58519723业务咨询
SKFSAKB18F品质永相随它在电子设备中的应用,展现了它的高精密性 它在食品机械中的应用,展现了它的卫生性能 设计独特的轴承,不仅性能优越,还具有很高的性价比它的轻量化设计,减少了运输成本 它的热处理工艺,增强了它的硬度和韧性 ,八零动力SKF免维护的杆端关节轴承品种全,价格优,质量有保证!

用户关注最多的SKF轴承型号

SKF23068CCK/W33* SKF29330E* SKF320/22X SKF594A/592A/Q SKF6305-2RZ* SKFCR15532 SKFCR21210 SKFHK1416 SKFNNU6928M SKFNUP2228ECML SKFPWM303640 SKFSNL3076/13.15/16LTURT SKFTUL30TR/VE495 SKFYAR216-2F/W64 SKFYSA211-2FK

SAKB18F免维护的杆端关节轴承近似的SKF轴承型号

SKFSALKB18F SKFSAKB18F SKFSILKB18F SKFSIKB18F SKFSAKB16F SKFSAKB20F

用户关注最多的轴承狗热门型号

SKF  KMFE7L KOYO  31324JR TIMKEN  766 /752-B INA  SL185004 ZKL  7318B/DF FAG  SNV130-L + 22215-E1-K + H315 + TSV515 SNR  7202C/DB LYC  T 25521 NSK  NU409W FAG  H33/500-HG INA  CSCG080 BARDEN  71910C/DF SKF  1207ETN9 LYC  FC 5678220-1 /P54S0 NTN  6010LLH

版权所有©2009-2015 轴承狗zcgou.com ICP备案:津ICP备14004550号-13