SKFSA6C轴承详细参数

发布时间:2026-04-14
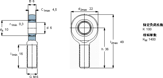
免维护杆端, 阳螺纹, 钢/烧结铜复合材料
主要数据尺寸 角度倾的 基本负荷额定值 质量 型号
动态 静态 轴承座完全与密封件
d d2 B d3 C1 h ± C C0
6g
mm 度数 kN kg -
6226M 64,536133,68,150,015SA 6 C

SKFSA6C免维护的杆端关节轴承供应商

八零动力专业销售SA6C免维护的杆端关节轴承,库存SKFSA6C大量现货,与SKF合作,咨询热线:022-58519723业务咨询
SKFSA6C质量无可挑剔的轴承,在行业内树立了良好的口碑和形象它的精密设计,展现了人类智慧的巅峰 稳定的传奇它在冶金设备中的应用,确保了设备的高温性能 它的疲劳强度,确保了长期使用的可靠性 其质量上乘,是众多机械设备不可或缺的优质配件,八零动力SKF免维护的杆端关节轴承品种全,价格优,质量有保证!

用户关注最多的SKF轴承型号

SKF51412M SKF6319* SKF71900CD/P4A SKF7322BEY SKFCR3752 SKFFYRP2.3/4H-3 SKFGE30TXG3E-2LS SKFGEC380FBAS SKFHMV94E SKFJM718149A/110/Q SKFK17x21x13 SKFOKCX160 SKFPCM13013560B SKFS71909CD/HCP4A SKFSNL3184FTURT

SA6C免维护的杆端关节轴承近似的SKF轴承型号

SKFSA17C SKFSIL15C SKFSALKB6F SKFSA50TXE-2LS SKFSI70TXE-2LS SKFSALKB14F SKFSA6C SKFSI50TXE-2LS SKFSAL45TXE-2LS SKFSILKB6F SKFSA60TXE-2LS SKFSA6E

用户关注最多的轴承狗热门型号

GMN  7040C/DB SKF  CR65X95X10HMS5RG TIMKEN  010-4018-S SKF  23238CCK/W33+H2338 GMN  7013C/DB KOYO  3307A-RS SKF  71940C FAG  SNV150-L + 1217-K-TVH-C3 + H217 + DH517 国产  29432 MRC  6015-RS FAG  BND3222-H-C-T-AL-S FAG  SNV090-L + 2210-K-TVH-C3 + H310 + TCV510 NSK  NJ2204 FAG  SNV090-L + 20210-K-TVP-C3 + H210 + TCV510 NTN  7305B/DT

版权所有©2009-2015 轴承狗zcgou.com ICP备案:津ICP备14004550号-13