SKFSAKB16F轴承详细参数

发布时间:2026-04-14
免维护杆端, 阳螺纹, 钢/PTFE复合材料
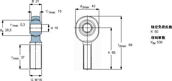
主要数据尺寸 角度倾的 基本负荷额定值 质量 型号
动态 静态 轴承座完全与密封件
d d2 B d3 C1 h ± C C0
6g
mm 度数 kN kg -
164321M 1615661521,434,50,21SAKB 16 F

SKFSAKB16F免维护的杆端关节轴承供应商

八零动力专业销售SAKB16F免维护的杆端关节轴承,库存SKFSAKB16F大量现货,与SKF合作,咨询热线:022-58519723业务咨询
SKFSAKB16F先进的制造工艺,让这款轴承的性能更加稳定可靠制造工艺先进,使得这款轴承的性能远超普通产品它在印刷机械中的应用,展现了它的高精度 轴承的性能可靠,为机械设备的稳定运行立下汗马功劳它的抗氧化性能,延长了它的使用寿命 它的尺寸一致性,让批量生产成为可能 ,八零动力SKF免维护的杆端关节轴承品种全,价格优,质量有保证!

用户关注最多的SKF轴承型号

SKF24040CCK30/W33+AH24040* SKF313639 SKF51412 SKF6211/HR22T2 SKF7009ACE/HCP4A SKF71906ACE/P4A SKFC2230K+AHX3130G* SKFC4915K30V* SKFCR21069 SKFCR5541 SKFFSAF22515x2.1/2 SKFN1022KTNHA/HC5SP SKFNNCF4868CV SKFQJ320N2MA* SKFSAL20C

SAKB16F免维护的杆端关节轴承近似的SKF轴承型号

SKFSALKB16F SKFSAKB16F SKFSIKB16F SKFSILKB16F SKFSIKB16F/VZ019 SKFSAKB14F SKFSAKB18F

用户关注最多的轴承狗热门型号

LYC  23036 K/C3W33 MRC  71922C/DT DKF  7221B/DF KOYO  462/600 INA  GK30-DO SKF  2312K LYC  6209 E-2RZ/C3Z2 STEYR  1320 INA  SL04150-PP SKF  CR27295 TIMKEN  5312WG 国产  52414 SKF  PCM556025E DKF  7313B/DF TIMKEN  14124/14277

版权所有©2009-2015 轴承狗zcgou.com ICP备案:津ICP备14004550号-13