SKFSI8C轴承详细参数

发布时间:2026-05-30
免维护杆端, 阴螺纹, 钢/烧结铜复合材料
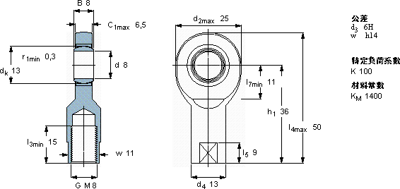
主要数据尺寸 角度倾的 基本负荷额定值 质量 型号
动态 静态 轴承座完全与密封件
d d2 B d3 C1 h1± C C0
6H
mm 度数 kN kg -
8258M 86,536155,8512,90,039SI 8 C

SKFSI8C免维护的杆端关节轴承供应商

八零动力专业销售SI8C免维护的杆端关节轴承,库存SKFSI8C大量现货,与SKF合作,咨询热线:022-58519723业务咨询
SKFSI8C质量无可挑剔的轴承,在行业内树立了良好的口碑和形象它在建筑机械中的应用,确保了设备的可靠性 制造工艺精湛,使得这款轴承的精度和稳定性都非常出色它的每一次转动,都是对效率的极致追求 品质永相随精湛的制造工艺赋予了这款轴承卓越的性能和品质 ,八零动力SKF免维护的杆端关节轴承品种全,价格优,质量有保证!

用户关注最多的SKF轴承型号

SKF1224KM SKF313811 SKF32038T146X/DBC220 SKF6003/HR11QN SKF6032-2Z SKF71910CE/HCP4A SKF7311BEGCY SKFAOH3080G SKFCR55X80X10HMSA10V SKFGE25C SKFHA3036x6.3/16 SKFN1008KTNHA/HC5SP SKFNCF2896V SKFNJ2240ECMA* SKFPCM202315B

SI8C免维护的杆端关节轴承近似的SKF轴承型号

SKFSIA60TXE-2LS SKFSI60TXE-2LS SKFSAL45TXE-2LS SKFSIA40TXE-2LS SKFSAKB16F SKFSIKB16F/VZ019 SKFSA35TXE-2LS SKFSIL6C SKFSAL12C SKFSAL30C SKFSI80TXE-2LS SKFSI8E

用户关注最多的轴承狗热门型号

SKF  NJ212E NSK  30216CA KOYO  24036RRK30+AH24036 LYC  6080 M/C9 SNR  7222C/DT TIMKEN  21308VCSJ FAG  QJ248-N2-MPA SKF  SAF23048KAx9 LYC  22336/W26 INA  RWS1808-300/x300/x266 TIMKEN  57BIH251 LYC  LM 29748/LM29710 RHP  7301B/DT 国产  30328X2 STEYR  6003

版权所有©2009-2015 轴承狗zcgou.com ICP备案:津ICP备14004550号-13