
SKFFYRP2H-18轴承详细参数
发布时间:2026-04-26
| | | | | | | | | | | |
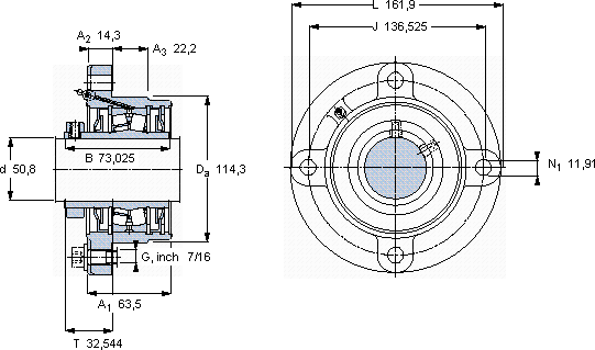
| 带法兰的滚子轴承单元, 锁定套和插口,用于英制的轴, locating units, labyrinth seals | |
 |
| 尺寸 | 尺寸 [英寸] | 限制速度 | 质量 | 型号 | 轴承,基本型号 |
| | 动态 | 静态 | | |
| da | A1 | J | L | T | C | C0 | |
 |
| mm | kN | r/min | kg | - | - |
 |
| 50,8 | 63,5 | 136,525 | 161,9 | 32,544 | 84,5 | 100 | 5000 | 3,72 | FYRP 2 H-18 | 22210 |
SKFFYRP2H-18法兰滚子轴承单元供应商
- 八零动力专业销售FYRP2H-18法兰滚子轴承单元,库存SKFFYRP2H-18大量现货,与SKF合作,咨询热线:022-58519723

- SKFFYRP2H-18它的轻量化设计,减少了运输成本 始终顺滑如初,它在纺织机械中的应用,确保了设备的高速运转 它的轴向游隙控制,精准到令人惊叹 它在医疗设备中的应用,确保了设备的稳定性 卓越的设计理念,赋予了这款轴承超凡的性能,八零动力SKF法兰滚子轴承单元品种全,价格优,质量有保证!
用户关注最多的SKF轴承型号
SKF22312EK*
SKF231/500CA/W33
SKF23956CCK/W33
SKF239/500CAK/W33*
SKF30309J2/Q
SKF3314A*
SKF6202/HR22T2
SKF7040CD/P4A
SKF71815CD/HCP4A
SKF71913ACD/P4A
SKFCR22647
SKFCR9835
SKFFYTL25TR/VE495
SKFGE200TXG3A-2LS
SKFNK75/35