
SKFFYR2.1/2H-18轴承详细参数
发布时间:2026-04-19
| | | | | | | | | | | |
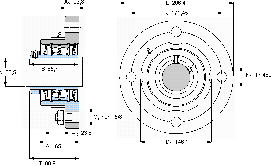
| 带法兰的滚子轴承单元, 锁定套,用于英制的轴, locating units, labyrinth seals | |
 |
| 尺寸 | 尺寸 [英寸] | 限制速度 | 质量 | 型号 | 轴承,基本型号 |
| | 动态 | 静态 | | |
| da | A1 | J | L | T | C | C0 | |
 |
| mm | kN | r/min | kg | - | - |
 |
| 63,5 | 65,1 | 171,45 | 206,4 | 88,9 | 148 | 183 | 3800 | 6,12 | FYR 2.1/2 H-18 | 22213 |
SKFFYR2.1/2H-18法兰滚子轴承单元供应商
- 八零动力专业销售FYR2.1/2H-18法兰滚子轴承单元,库存SKFFYR2.1/2H-18大量现货,与SKF合作,咨询热线:022-58519723

- SKFFYR2.1/2H-18它的滚动体与沟槽的配合,堪称完美 先进的制造技术和严格的质量控制,造就了这款优质轴承精湛的工艺打造出的轴承,精度和稳定性都令人称赞高精度的制造工艺,让这款轴承的性能更加出色它的疲劳强度,确保了长期使用的可靠性 它在机器人领域的应用,展现了它的高精密性 ,八零动力SKF法兰滚子轴承单元品种全,价格优,质量有保证!
用户关注最多的SKF轴承型号
SKF618/1120TN
SKF6201-2RSH*
SKF6307/HR11TN
SKF7201AC/DF
SKF7215B/DT
SKFCR524213
SKFCR8649
SKFHH258248/210
SKFNA4919
SKFNNU4930B/SPW33
SKFNU304E
SKFPCM19019560M
SKFSC7007FB/P7
SKFSNL3196LTURT
SKFSY2.1/2TF/AH