
SKFFYRP1.3/4H-18轴承详细参数
发布时间:2026-05-30
| | | | | | | | | | | |
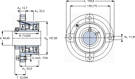
| 带法兰的滚子轴承单元, 锁定套和插口,用于英制的轴, locating units, labyrinth seals | |
 |
| 尺寸 | 尺寸 [英寸] | 限制速度 | 质量 | 型号 | 轴承,基本型号 |
| | 动态 | 静态 | | |
| da | A1 | J | L | T | C | C0 | |
 |
| mm | kN | r/min | kg | - | - |
 |
| 44,45 | 63,5 | 130,175 | 155,6 | 32,544 | 77 | 88,1 | 5300 | 3,49 | FYRP 1.3/4 H-18 | 22209 |
SKFFYRP1.3/4H-18法兰滚子轴承单元供应商
- 八零动力专业销售FYRP1.3/4H-18法兰滚子轴承单元,库存SKFFYRP1.3/4H-18大量现货,与SKF合作,咨询热线:022-58519723

- SKFFYRP1.3/4H-18制造工艺精湛,使得这款轴承的精度和稳定性都非常出色先进的制造工艺,让这款轴承的性能更加稳定可靠它的滚动体分布均匀,运转平稳无振动 它的热处理工艺,增强了它的硬度和韧性 精湛的工艺打造出的轴承,精度和稳定性都令人称赞成就非凡转动体验让您的设备一顺到底,,八零动力SKF法兰滚子轴承单元品种全,价格优,质量有保证!
用户关注最多的SKF轴承型号
SKF319181/HB2
SKF3211ATN9*
SKF71912CD/P4A
SKF7226B
SKFC4010V*
SKFCR110X150X12HMSA10RG
SKFCR38691
SKFCR440x480x22.23HDSA2V
SKFCR52X68X8HMSA10V
SKFFBSA205/QBC
SKFP85R-1.1/2TF
SKFPF1.TF
SKFQJ312N2MA
SKFS71924CD/HCP4A
SKFSDAF22617x2.13/16