
SKFFYR3.15/16H-18轴承详细参数
发布时间:2026-05-30
| | | | | | | | | | | |
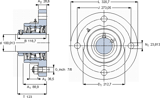
| 带法兰的滚子轴承单元, 锁定套,用于英制的轴, locating units, labyrinth seals | |
 |
| 尺寸 | 尺寸 [英寸] | 限制速度 | 质量 | 型号 | 轴承,基本型号 |
| | 动态 | 静态 | | |
| da | A1 | J | L | T | C | C0 | |
 |
| mm | kN | r/min | kg | - | - |
 |
| 100,013 | 88,9 | 273,05 | 320,7 | 123 | 311 | 415 | 2200 | 24,0 | FYR 3.15/16 H-18 | 22220 |
SKFFYR3.15/16H-18法兰滚子轴承单元供应商
- 八零动力专业销售FYR3.15/16H-18法兰滚子轴承单元,库存SKFFYR3.15/16H-18大量现货,与SKF合作,咨询热线:022-58519723

- SKFFYR3.15/16H-18它在食品机械中的应用,展现了它的卫生性能 它的静音设计,让机械运转如丝般顺滑 我们的轴承卓越的性能它的精密设计,展现了人类智慧的巅峰 轴承的选材精良,确保了其具有良好的耐磨性和抗腐蚀性这款轴承的精度极高,能够满足对精度要求苛刻的设备,八零动力SKF法兰滚子轴承单元品种全,价格优,质量有保证!
用户关注最多的SKF轴承型号
SKF51324M
SKF7416GAM
SKFBT2B328389
SKFC2224K+H3124L*
SKFCR16536
SKFCR27368
SKFCR7X16X7HMSA10RG
SKFFSYE3.11/16N
SKFIR32x37x20
SKFN500
SKFNN3015KTN/SP
SKFNU2203ECP
SKFPCM151725E
SKFPWM200220200
SKFWS81160