
SKFFYRP2H轴承详细参数
发布时间:2026-04-15
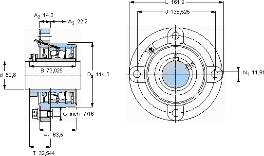
| | | | | | | | | | | |
| 带法兰的滚子轴承单元, 锁定套和插口,用于英制的轴, locating units, general conditions (double-lip seals) | |
 |
| 尺寸 | 尺寸 [英寸] | 限制速度 | 质量 | 型号 | 轴承,基本型号 |
| | 动态 | 静态 | | |
| da | A1 | J | L | T | C | C0 | |
 |
| mm | kN | r/min | kg | - | - |
 |
| 50,8 | 63,5 | 136,525 | 161,9 | 32,544 | 84,5 | 100 | 2400 | 3,72 | FYRP 2 H | 22210 |
SKFFYRP2H法兰滚子轴承单元供应商
- 八零动力专业销售FYRP2H法兰滚子轴承单元,库存SKFFYRP2H大量现货,与SKF合作,咨询热线:022-58519723

- SKFFYRP2H是您设备高效运转的可靠伙伴,它虽小,却是工业革命的基石 它的多样化应用,展现了它的无限可能 它的耐腐蚀性,减少了维护成本 制造工艺精湛,使得这款轴承的精度、稳定性和耐用性都非常出色它的轻量化设计,减少了运输成本 ,八零动力SKF法兰滚子轴承单元品种全,价格优,质量有保证!
用户关注最多的SKF轴承型号
SKF22344CCK/W33+H2344
SKF47678/47620/Q
SKF6036M
SKFBC4-8041/HA4
SKFBTM60A/HCP4CDBA
SKFCR32X47X8HMSA10RG
SKFFSYE3.7/16NH-118
SKFGEC460FBAS
SKFGEC560TXA-2RS
SKFN04
SKFNA69/28
SKFNU2212ECP
SKFP47R-17FM
SKFS71926ACD/HCP4A
SKFS71928ACD/P4A