
SKFFYRP2H-3轴承详细参数
发布时间:2026-04-25
| | | | | | | | | | | |
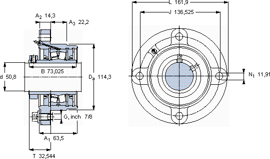
| 带法兰的滚子轴承单元, 锁定套和插口,用于英制的轴, locating units, radial shaft seals | |
 |
| 尺寸 | 尺寸 [英寸] | 限制速度 | 质量 | 型号 | 轴承,基本型号 |
| | 动态 | 静态 | | |
| da | A1 | J | L | T | C | C0 | |
 |
| mm | kN | r/min | kg | - | - |
 |
| 50,8 | 63,5 | 136,525 | 161,9 | 32,544 | 84,5 | 100 | 2400 | 3,72 | FYRP 2 H-3 | 22210 |
SKFFYRP2H-3法兰滚子轴承单元供应商
- 八零动力专业销售FYRP2H-3法兰滚子轴承单元,库存SKFFYRP2H-3大量现货,与SKF合作,咨询热线:022-58519723

- SKFFYRP2H-3优秀的设计和卓越的性能,让这款轴承备受青睐它的精密装配,确保了整体性能的卓越 该轴承的性能优越,极大地提高了设备的工作效率旋转不息制造工艺精湛,使得这款轴承的精度和稳定性都非常出色优秀的设计理念和精湛的制造工艺,成就了这款杰出的轴承,八零动力SKF法兰滚子轴承单元品种全,价格优,质量有保证!
用户关注最多的SKF轴承型号
SKF248/1320CAK30FA/W20
SKF313893
SKF71920FB/P7
SKFCR100x125x12CRW1R
SKFCR40X52X7HMSA10RG
SKFCR80x105x10CRW1V
SKFCR880x944x25HDS3D
SKFNUP208ECM*
SKFNUP316ECM*
SKFNX25Z
SKFPCMF081007.5B
SKFPF1.1/4AFM
SKFSDAFS22522
SKFSIJ40ES
SKFSYR1.7/16-18