
SKFFYRP2.11/16H-18轴承详细参数
发布时间:2026-04-14
| | | | | | | | | | | |
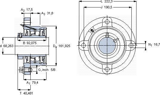
| 带法兰的滚子轴承单元, 锁定套和插口,用于英制的轴, locating units, labyrinth seals | |
 |
| 尺寸 | 尺寸 [英寸] | 限制速度 | 质量 | 型号 | 轴承,基本型号 |
| | 动态 | 静态 | | |
| da | A1 | J | L | T | C | C0 | |
 |
| mm | kN | r/min | kg | - | - |
 |
| 68,263 | 79,4 | 190,5 | 222,3 | 40,481 | 158 | 208 | 3400 | 9,3 | FYRP 2.11/16 H-18 | 22215 |
SKFFYRP2.11/16H-18法兰滚子轴承单元供应商
- 八零动力专业销售FYRP2.11/16H-18法兰滚子轴承单元,库存SKFFYRP2.11/16H-18大量现货,与SKF合作,咨询热线:022-58519723

- SKFFYRP2.11/16H-18要设备更出色它的多样化应用,展现了它的无限可能 它的耐高温性能,减少了冷却系统的能耗 优秀的设计理念和精湛的制造工艺,成就了这款优秀的轴承让工作更高效,它的每一次转动,都是对精准度的极致追求 ,八零动力SKF法兰滚子轴承单元品种全,价格优,质量有保证!
用户关注最多的SKF轴承型号
SKF32026X
SKF7214BECBP*
SKF7216BECBY
SKFC2315K+H2315*
SKFC3036K*
SKFC3180KM+OH3180H*
SKFCR15549
SKFCR20X32X7HMSA10V
SKFNCF18/710V
SKFNNCF4924CV
SKFNUKRE40A
SKFPCM505520E
SKFPCZ3640M
SKFSC7020DB/P7
SKFYAR204-2RF/W64