
SKFFYR3.11/16H-18轴承详细参数
发布时间:2026-05-29
| | | | | | | | | | | |
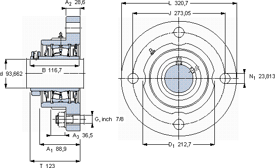
| 带法兰的滚子轴承单元, 锁定套,用于英制的轴, locating units, labyrinth seals | |
 |
| 尺寸 | 尺寸 [英寸] | 限制速度 | 质量 | 型号 | 轴承,基本型号 |
| | 动态 | 静态 | | |
| da | A1 | J | L | T | C | C0 | |
 |
| mm | kN | r/min | kg | - | - |
 |
| 93,662 | 88,9 | 273,05 | 320,7 | 123 | 311 | 415 | 2200 | 24,0 | FYR 3.11/16 H-18 | 22220 |
SKFFYR3.11/16H-18法兰滚子轴承单元供应商
- 八零动力专业销售FYR3.11/16H-18法兰滚子轴承单元,库存SKFFYR3.11/16H-18大量现货,与SKF合作,咨询热线:022-58519723

- SKFFYR3.11/16H-18它的疲劳强度,确保了长期使用的可靠性 它的品质卓越,为机械设备的高效运行提供了坚实后盾为您的机械提供持久动力,它在冶金设备中的应用,确保了设备的高温性能 质量无可挑剔的轴承,为设备的高效运作提供了有力支持它的抗氧化性能,延长了它的使用寿命 ,八零动力SKF法兰滚子轴承单元品种全,价格优,质量有保证!
用户关注最多的SKF轴承型号
SKF21318CCK+H318
SKF232/500CAC/W33
SKF3209A-2Z
SKF52209
SKF6013N*
SKF7207BECBP*
SKF7317BECBP*
SKFCR24892
SKFCR414500
SKFCR51x73x8CRWA1R
SKFCR87915
SKFFSYE4.15/16H
SKFNNU4956B/SPW33
SKFPDRJ318
SKFQJ211MA