
SKFFYR2.11/16H-18轴承详细参数
发布时间:2026-04-22
| | | | | | | | | | | |
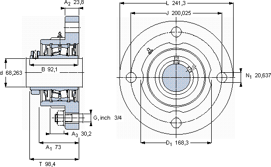
| 带法兰的滚子轴承单元, 锁定套,用于英制的轴, locating units, labyrinth seals | |
 |
| 尺寸 | 尺寸 [英寸] | 限制速度 | 质量 | 型号 | 轴承,基本型号 |
| | 动态 | 静态 | | |
| da | A1 | J | L | T | C | C0 | |
 |
| mm | kN | r/min | kg | - | - |
 |
| 68,263 | 73 | 200,025 | 241,3 | 98,4 | 158 | 208 | 3400 | 12,2 | FYR 2.11/16 H-18 | 22215 |
SKFFYR2.11/16H-18法兰滚子轴承单元供应商
- 八零动力专业销售FYR2.11/16H-18法兰滚子轴承单元,库存SKFFYR2.11/16H-18大量现货,与SKF合作,咨询热线:022-58519723

- SKFFYR2.11/16H-18设计独特的轴承,不仅性能优越,还具有很高的性价比它的抗剪切性能,确保了它的结构稳定性 性能卓越的它,为机械设备的稳定运行提供了可靠保障它的可靠性,赢得了无数用户的信赖 引领转动新潮流,它的品质卓越,为机械设备的高效、稳定运行保驾护航,八零动力SKF法兰滚子轴承单元品种全,价格优,质量有保证!
用户关注最多的SKF轴承型号
SKF03062/03162/Q
SKF2210K
SKF51340
SKF6207*
SKF7018CE/P4A
SKFBC4-8013/HA4
SKFCR60x75x8CRW1R
SKFCR90437
SKFNK25/16
SKFLM503349/310/QCL7C
SKFN1022KTN9/HC5SP
SKFNUP240ECMA*
SKFOKCS360
SKFPCM182020M
SKFUEL204