
SKFFYRP1.11/16H轴承详细参数
发布时间:2026-04-15
| | | | | | | | | | | |
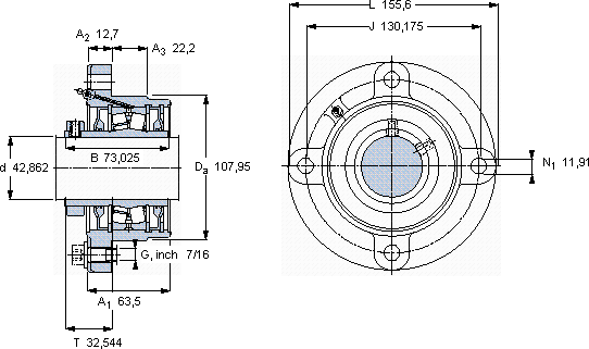
| 带法兰的滚子轴承单元, 锁定套和插口,用于英制的轴, locating units, general conditions (double-lip seals) | |
 |
| 尺寸 | 尺寸 [英寸] | 限制速度 | 质量 | 型号 | 轴承,基本型号 |
| | 动态 | 静态 | | |
| da | A1 | J | L | T | C | C0 | |
 |
| mm | kN | r/min | kg | - | - |
 |
| 42,862 | 63,5 | 130,175 | 155,6 | 32,544 | 77 | 88,1 | 2650 | 3,54 | FYRP 1.11/16 H | 22209 |
SKFFYRP1.11/16H法兰滚子轴承单元供应商
- 八零动力专业销售FYRP1.11/16H法兰滚子轴承单元,库存SKFFYRP1.11/16H大量现货,与SKF合作,咨询热线:022-58519723

- SKFFYRP1.11/16H它虽小,却是工业革命的基石 铸就卓越品质,就是选择高效与可靠它在机床设备中的应用,确保了加工精度 轴承的稳定性和可靠性表现出色,赢得了用户的高度认可它的故障率极低,确保了设备的稳定运行 ,八零动力SKF法兰滚子轴承单元品种全,价格优,质量有保证!
用户关注最多的SKF轴承型号
SKF23976CCK/W33*
SKF33109
SKF7222ACD/P4A
SKFBT2B332501A/HA4
SKFBT4B331243A/HA1
SKFBTW190CM/SP
SKFCR120X150X12HMSA10V
SKFCR30X45X8CRW1P
SKFCR16X28X7HMS5RG
SKFCR27X43X7HMSA10RG
SKFCR28748
SKFCR520x580x25HDS2R1
SKFN1013KPHA/HC5SP
SKFNJ221E
SKFOKC700