
SKFFYRP3.11/16H轴承详细参数
发布时间:2026-05-30
| | | | | | | | | | | |
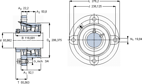
| 带法兰的滚子轴承单元, 锁定套和插口,用于英制的轴, locating units, general conditions (double-lip seals) | |
 |
| 尺寸 | 尺寸 [英寸] | 限制速度 | 质量 | 型号 | 轴承,基本型号 |
| | 动态 | 静态 | | |
| da | A1 | J | L | T | C | C0 | |
 |
| mm | kN | r/min | kg | - | - |
 |
| 93,662 | 92,1 | 238,125 | 276,2 | 55,563 | 311 | 415 | 1200 | 18,6 | FYRP 3.11/16 H | 22220 |
SKFFYRP3.11/16H法兰滚子轴承单元供应商
- 八零动力专业销售FYRP3.11/16H法兰滚子轴承单元,库存SKFFYRP3.11/16H大量现货,与SKF合作,咨询热线:022-58519723

- SKFFYRP3.11/16H其设计和制造工艺都达到了国际先进水平,是一款优质轴承它在食品机械中的应用,展现了它的卫生性能 其设计和制造都达到了极高的水准,是一款不可多得的轴承出色的性能表现,让这款轴承成为行业内的明星产品,运转起来如此顺滑,这款轴承的制造工艺着实令人赞叹它的使用寿命,远超同类产品 ,八零动力SKF法兰滚子轴承单元品种全,价格优,质量有保证!
用户关注最多的SKF轴承型号
SKF2218K
SKF23288CAC/W33
SKF22315CCK/W33
SKF24026CC/W33*
SKF24148CC/W33
SKFBC2B320041
SKFC7020DB/P7
SKFCR1150257
SKFCR15662
SKFCR21336
SKFCR6191
SKFHMV150E
SKFNJ2213E
SKFPCM161810B
SKFPFD1.1/4TF