
SKFFYRP2.11/16H轴承详细参数
发布时间:2026-04-15
| | | | | | | | | | | |
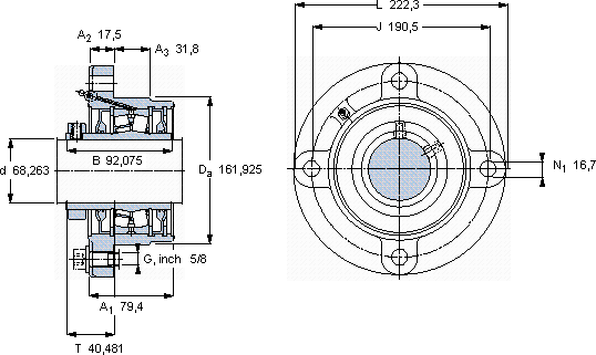
| 带法兰的滚子轴承单元, 锁定套和插口,用于英制的轴, locating units, general conditions (double-lip seals) | |
 |
| 尺寸 | 尺寸 [英寸] | 限制速度 | 质量 | 型号 | 轴承,基本型号 |
| | 动态 | 静态 | | |
| da | A1 | J | L | T | C | C0 | |
 |
| mm | kN | r/min | kg | - | - |
 |
| 68,263 | 79,4 | 190,5 | 222,3 | 40,481 | 158 | 208 | 1600 | 9,3 | FYRP 2.11/16 H | 22215 |
SKFFYRP2.11/16H法兰滚子轴承单元供应商
- 八零动力专业销售FYRP2.11/16H法兰滚子轴承单元,库存SKFFYRP2.11/16H大量现货,与SKF合作,咨询热线:022-58519723

- SKFFYRP2.11/16H精湛的制造工艺赋予了这款轴承出色的性能和可靠性运转起来如此顺滑,这款轴承的制造工艺着实令人赞叹设计合理、性能优良的它,是机械设备稳定运行的重要保障以卓越品质它在机床设备中的应用,确保了加工精度 它的润滑技术,减少了摩擦和磨损 ,八零动力SKF法兰滚子轴承单元品种全,价格优,质量有保证!
用户关注最多的SKF轴承型号
SKF1313ETN9
SKF22214CCK/W33+H314
SKF31324XJ2/DF
SKF722512DB
SKFC30/500KM/HA3C4*
SKFCR27x43x8CRW1V
SKFCR401995
SKFCR790x850x25HDS1V
SKFN1008KTNHA/SP
SKFNJ2220ECP*
SKFNJ320ECP*
SKFNJ324ECP*
SKFNKI38/20
SKFPWM404840
SKFSYR1.11/16H-3