
SKFFYR1.11/16H-18轴承详细参数
发布时间:2026-04-14
| | | | | | | | | | | |
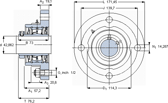
| 带法兰的滚子轴承单元, 锁定套,用于英制的轴, locating units, labyrinth seals | |
 |
| 尺寸 | 尺寸 [英寸] | 限制速度 | 质量 | 型号 | 轴承,基本型号 |
| | 动态 | 静态 | | |
| da | A1 | J | L | T | C | C0 | |
 |
| mm | kN | r/min | kg | - | - |
 |
| 42,862 | 57,2 | 139,7 | 171,45 | 76,2 | 77 | 88,1 | 5300 | 4,76 | FYR 1.11/16 H-18 | 22209 |
SKFFYR1.11/16H-18法兰滚子轴承单元供应商
- 八零动力专业销售FYR1.11/16H-18法兰滚子轴承单元,库存SKFFYR1.11/16H-18大量现货,与SKF合作,咨询热线:022-58519723

- SKFFYR1.11/16H-18精准运转它在机床设备中的应用,确保了加工精度 它在电子设备中的应用,展现了它的高精密性 精湛的制造工艺赋予了这款轴承卓越的性能和品质 是您值得信赖的工业伙伴,为您的机械保驾护航它的抗变形能力,让它在高负载下依然保持形状 ,八零动力SKF法兰滚子轴承单元品种全,价格优,质量有保证!
用户关注最多的SKF轴承型号
SKF2x7202BECBP*
SKF353070B
SKF61968MA
SKF6307/HR11TN
SKF7226AC/DF
SKFCR43072
SKFCR43X72X10CRSH11R
SKFCR48x65x8CRW1R
SKFCR70X90X10HMSA10RG
SKFFNL518A
SKFFSYE3.H
SKFHMV40E
SKFNA6903
SKFNUP209ECP*
SKFSYE1.1/2NH-118