
SKFFYR3.11/16H轴承详细参数
发布时间:2026-04-15
| | | | | | | | | | | |
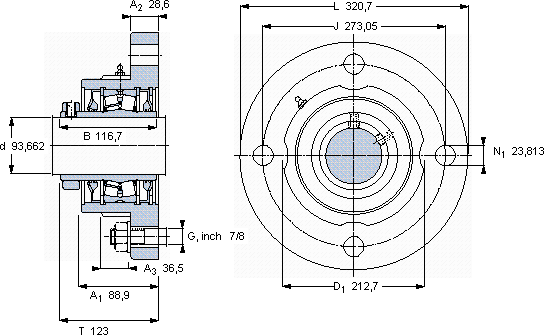
| 带法兰的滚子轴承单元, 锁定套,用于英制的轴, locating units, general conditions (double-lip seals) | |
 |
| 尺寸 | 尺寸 [英寸] | 限制速度 | 质量 | 型号 | 轴承,基本型号 |
| | 动态 | 静态 | | |
| da | A1 | J | L | T | C | C0 | |
 |
| mm | kN | r/min | kg | - | - |
 |
| 93,662 | 88,9 | 273,05 | 320,7 | 123 | 311 | 415 | 1200 | 24,0 | FYR 3.11/16 H | 22220 |
SKFFYR3.11/16H法兰滚子轴承单元供应商
- 八零动力专业销售FYR3.11/16H法兰滚子轴承单元,库存SKFFYR3.11/16H大量现货,与SKF合作,咨询热线:022-58519723

- SKFFYR3.11/16H匠心制造打造出了性能卓越的这款轴承,该轴承的精度控制达到了极致它的可靠性,赢得了无数用户的信赖 这款轴承的运转十分平稳,几乎感受不到任何震动让您的设备高效运行,设计合理、性能优良的它,是机械设备实现高效运行的重要保障,八零动力SKF法兰滚子轴承单元品种全,价格优,质量有保证!
用户关注最多的SKF轴承型号
SKF3207A-2Z/MT33*
SKF4213ATN9
SKF61814
SKFCR22X32X7HMS5V
SKFCR40x58x8CRW1V
SKFCR48X58X4HM4R
SKFGE35CJ2
SKFHE3130
SKFNJG2315VH
SKFNNF5038ADA-2LSV
SKFNUP2206ECP*
SKFNUP313ECP*
SKFOH3272H
SKFS7013DB/P7
SKFYAR207-2F