INA KGNO40-C-PP-AS直线球轴承及轴承座单元尺寸图纸

KGNO..-C-PP-AS系列可调,密封,脂润滑,带再润滑结构的直线导引系统

目录

INA KGNO40-C-PP-AS轴承基本参数

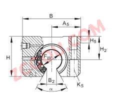
INA直线球轴承及轴承座单元 KGNO40-C-PP-AS, 可调,密封,脂润滑,带再润滑结构
压缩载荷拉伸载荷全部密封脂润滑油润滑
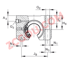
INA直线球轴承及轴承座单元 KGNO40-C-PP-AS, 可调,密封,脂润滑,带再润滑结构
INA直线球轴承及轴承座单元 KGNO40-C-PP-AS, 可调,密封,脂润滑,带再润滑结构
INA直线球轴承及轴承座单元 KGNO40-C-PP-AS, 可调,密封,脂润滑,带再润滑结构
INA直线球轴承及轴承座单元 KGNO40-C-PP-AS, 可调,密封,脂润滑,带再润滑结构
 
Fw40 mm  
H77 mm  
B108 mm  
L80 mm  
 
 球的列数
1) 主载荷方向
A317,5 mm  
A554 mm 公差: +/-0,01
B219 mm 和直径 Fw 有关的尺寸 B2
G2M12  
G3M8x1 润滑孔在轴承长度 L 上是对称的。
润滑孔用塑料塞堵塞。

合适的润滑嘴:
- G3 = M6:
NIP DIN 71412-AM6
NIP DIN 3405-AM6

- G3 = M8X1:
NIP DIN 71412-AM8X1
NIP DIN 3405-AM8X1
H245 mm 公差: +0,008 / -0,016
H512 mm  
H644 mm  
JB86 mm 公差: +/-0,15
JL58 mm 尺寸 JL 在轴承长度 L 上是对称的。
K5M10 根据 ISO 4762-8.8 标准的固定螺钉
如果有调节螺钉,应有螺钉防松措施。
N110,5 mm  
N318 mm  
N43,15X6,7 mm 中心孔,A 型,根据 DIN 332
T526 mm  
α56 °  
 
m1400 g 质量
  在主载荷方向的基本额定载荷

基本额定载荷仅适用于淬硬(670+170 HV)及磨削过的作为滚道的轴。
C6300 N 基本额定动载荷
C04350 N 基本额定静载荷

INA KGNO40-C-PP-AS轴承供货商

八零动力专业销售德国INAKGNO40-C-PP-AS直线球轴承及轴承座单元,库存德国INAKGNO40-C-PP-AS直线球轴承及轴承座单元大量现货,与厂家常年批量订购KGNO40-C-PP-AS轴承,咨询热线:022-58519723业务咨询

INAKGNO40-C-PP-AS,我选八零动力,品种全,价格优,质量有保证!大客户热线:022-58519722

其他品牌KGNO40-C-PP-AS轴承同类可代替型号

KGNO40-C-PP-AS该轴承的性能优越,极大地提高了设备的工作效率它的稳定性,让它在各种环境下都能可靠工作 它的轻量化设计,减少了材料的使用 它的抗剪切性能,确保了它的结构稳定性 它虽小,却是工业革命的基石 它的疲劳强度,确保了长期使用的可靠性 它的滚动体分布均匀,运转平稳无振动 轴承的精度极高,使得设备的运行误差被控制在极小范围内KGNO40-C-PP-AS

INA KGNO40-C-PP-AS轴承近似型号

INAKGNO30-C-PP-AS INAKGNO50-C-PP-AS INA KGHK40-B-PP-AS INA KGBO40-PP-AS INA PAGBAO40-PP-AS INA KGNC40-C-PP-AS INA KGBAS40-PP-AS INA KGSNOS40-PP-AS INA KGBA40-PP-AS INA KGNS40-C-PP-AS INA KGSC40-PP-AS INA KGB40-PP-AS

热门点击型号

FAG SD3184-H-TS-AF-L+23184-K-MB INA SL045034-PP FAG SNV150-L+2217-K-M-C3+H317X215+TSV517 FAG ZRB23X34-QP FAG SNV052-L+20304-TVP+DH304 FAG B71907-C-T-P4S FAG 3808-B-2Z-TVH INA GE45-DO-2RS INA HK0609 FAG LOE217-N-BL-L SKFCR80X105X10HMS5V SKFSDAF23288KAx16.1/2 TIMKEN5305KDD2 LYC014.30.1600.11K LYCNN49/630K/SPW33 NACHIE32022J LYCNU212M/C4 NTN63/28-2RZ NSK24184CAMK30E4 INAGAKL18-PW

版权所有©2010-2017 轴承狗zcgou.com 上次更新:2026-05-29