
SKFFYRP1.11/16H-3轴承详细参数
发布时间:2026-04-15
| | | | | | | | | | | |
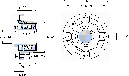
| 带法兰的滚子轴承单元, 锁定套和插口,用于英制的轴, locating units, radial shaft seals | |
 |
| 尺寸 | 尺寸 [英寸] | 限制速度 | 质量 | 型号 | 轴承,基本型号 |
| | 动态 | 静态 | | |
| da | A1 | J | L | T | C | C0 | |
 |
| mm | kN | r/min | kg | - | - |
 |
| 42,862 | 63,5 | 130,175 | 155,6 | 32,544 | 77 | 88,1 | 2650 | 3,54 | FYRP 1.11/16 H-3 | 22209 |
SKFFYRP1.11/16H-3法兰滚子轴承单元供应商
- 八零动力专业销售FYRP1.11/16H-3法兰滚子轴承单元,库存SKFFYRP1.11/16H-3大量现货,与SKF合作,咨询热线:022-58519723

- SKFFYRP1.11/16H-3高精度的轴承,为设备的稳定运行提供了坚实保障高精度的制造工艺,让这款轴承的性能更加出色它的精密制造工艺,让人叹为观止 它的设计巧妙,在保证性能的同时,还兼顾了安装的便捷性卓越的性能表现,使这款轴承在市场上拥有良好的口碑轴承的精度极高,使得设备的运行误差被控制在极小范围内,八零动力SKF法兰滚子轴承单元品种全,价格优,质量有保证!
用户关注最多的SKF轴承型号
SKF230/630CAK/W33*
SKF314419
SKF6207-2RZTN9/HC5C3WT
SKF6220NR*
SKF6303N*
SKF70/950AMB
SKFC4044K30V+AOH24044*
SKFCR85X115X12HMSA10V
SKFCR99438
SKFGEZM204ES
SKFK95x103x40ZW
SKFNU2207ECP
SKFPCM758080E
SKFWS89311
SKFZ303