SKF22320EK+H2320*轴承详细参数

发布时间:2026-04-15
球面滚子轴承, 带紧定套的
主要数据尺寸 基本负荷额定值 疲劳负荷限值 额定速度 体积 型号
动态 静态 参照速度 限制速度 轴承 + 紧定套
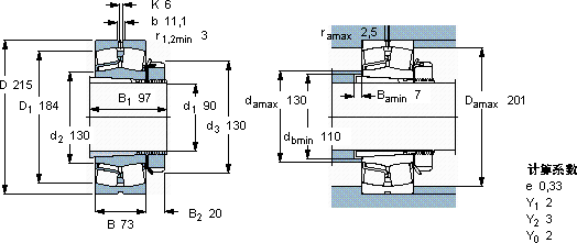
d1 D B C C0 Pu
* - SKF Explorer 轴承
mm kN kN r/min kg -
9021573815950882400300015,222320 EK + H 2320 *

SKF22320EK+H2320*球面滚子轴承供应商

八零动力专业销售22320EK+H2320*球面滚子轴承,库存SKF22320EK+H2320*大量现货,与SKF合作,咨询热线:022-58519723业务咨询
SKF22320EK+H2320*为您创造更多可能,它的精密制造工艺,让人叹为观止 优秀的设计理念和精湛的制造工艺,成就了这款杰出的轴承这款轴承的精度极高,能够满足对精度要求苛刻的设备这轴承的稳定性极佳,在高速运转时也能保持良好状态它的抗变形能力,让它在高负载下依然保持形状 ,八零动力SKF球面滚子轴承品种全,价格优,质量有保证!

用户关注最多的SKF轴承型号

SKF21322CCK SKF22324CCK/W33+H2324 SKF2x7210BECBM* SKF5311E SKF609* SKF6248 SKF6300/HR11QN SKF6313-RS1* SKFCR18X24X3HM4R SKFCR75X120X12HMS5RG SKFNCF1892V SKFNU1968ECMA SKFQJ217N2MA SKFSC7007FB/P7 SKFYET208-108

22320EK+H2320*球面滚子轴承近似的SKF轴承型号

SKF22320EK+H2320* SKF22320EJA/VA406* SKF22320EKJA/VA405* SKF22320E* SKF22320EK+AHX2320* SKF22320EJA/VA405* SKF22320EK* SKF22320EK+AHX2320* SKF22322CCK/W33

用户关注最多的轴承狗热门型号

LYC  NU 2220 EM FAG  1320-K-M-C3 + H320 KOYO  NU307R INA  NK90/35 TIMKEN  200RF91 NACHI  7313DT INA  KGBAO50-PP-AS SKF  CR300x340x20HS8R TIMKEN  482/472D NTN  NU318E TIMKEN  52393/52637 国产  NJ428M SKF  CR550x590x20HDS1R1 KOYO  53313 IKO  TAFI71716

版权所有©2009-2015 轴承狗zcgou.com ICP备案:津ICP备14004550号-13