

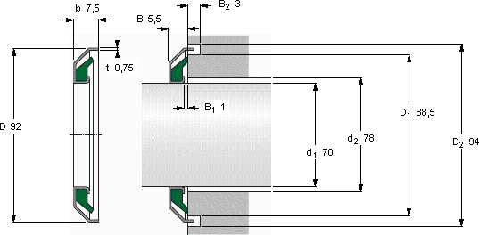
| MVR axial shaft seals, MVR2 设计 | |||||||||||
| 尺寸 | 型号 | ||||||||||
| 特定负荷 | Case outer | Housing | Clearance | Total seal | Case groove | Seal counterface | Case groove diameter | Metal case | |||
| diameter | width | case width | diameter | hole | inside | outside | thickness | ||||
| d1 | D | B | B1 | b | B2 | d2 | D1 | D2 | t | ||
| 最大 | |||||||||||
| mm | - | ||||||||||
| 70 | 92 | 5,5 | 1 | 7,5 | 3 | 78 | 88,5 | 94 | 0,75 | CR MVR2-70 | |
版权所有©2009-2015 轴承狗zcgou.com ICP备案:津ICP备14004550号-13