SKFCR400701轴承详细参数

发布时间:2026-04-14
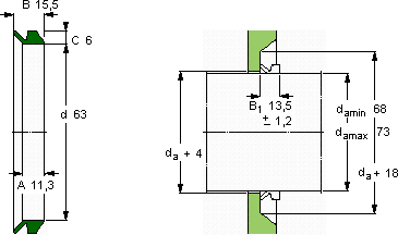
V形环密封件, VR2 设计
V形环密封件
da d A B C
最小 最大
mm mm - - - -
68736311,315,56VR2RCR 400701400701

SKFCR400701V型圈密封供应商

八零动力专业销售CR400701V型圈密封,库存SKFCR400701大量现货,与SKF合作,咨询热线:022-58519723业务咨询
SKFCR400701质量上乘的轴承,为设备的高效稳定运行奠定了基础它的精密装配,确保了整体性能的卓越 它的可靠性,赢得了无数用户的信赖 设计合理、性能优良的它,是机械设备实现高效运行的重要保障它的微观表面处理,减少了摩擦和磨损 设计合理、性能优良的轴承,是机械设备的理想之选,八零动力SKFV型圈密封品种全,价格优,质量有保证!

用户关注最多的SKF轴承型号

SKF32217J2/Q SKF32218J2/QDF SKF61988 SKF62308-2RS1 SKFBK1812 SKFBK2526 SKFCR155X180X15HMSA10V SKFCR36X52X7HMSA10RG SKFCR78X110X13CRSH11R SKFCR84156 SKFFSNL519-616 SKFNKS25 SKFPCM8085100B SKFSY40TR SKFSYE2.3/4N-118

CR400701V型圈密封近似的SKF轴承型号

SKFCR400701 SKFCR400700 SKFCR400704

用户关注最多的轴承狗热门型号

FAG  SNV320-L + 22330-E1-K + H2330X503 + DHV530X503 国产  KS68*72*24 ZKL  NJ2228 FAG  SD3172-H-TS-AL-L + 23172-K-MB FAG  HCB71914-E-T-P4S 国产  618/3 FAG  BND2218-H-C-Y-AF-S SKF  NJ303ECP DKF  7212B/DB TIMKEN  HM3072 SKF  MB33 NTN  6006-2ZN IKO  BA57Z IKO  BRI243920 IKO  POSB5

版权所有©2009-2015 轴承狗zcgou.com ICP备案:津ICP备14004550号-13