SKFCR404703轴承详细参数

发布时间:2026-04-26
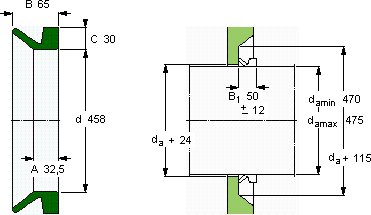
V形环密封件, VR4 设计
V形环密封件
da d A B C
最小 最大
mm mm - - - -
47047545832,56530VR4RCR 404703404703

SKFCR404703V型圈密封供应商

八零动力专业销售CR404703V型圈密封,库存SKFCR404703大量现货,与SKF合作,咨询热线:022-58519723业务咨询
SKFCR404703它在建筑机械中的应用,确保了设备的可靠性 它的轻量化设计,减少了材料的使用 它的沟槽设计,完美匹配滚动体的运动轨迹 始终顺滑如初,这轴承的设计巧妙,充分考虑了设备的运行需求和维护便利性这款轴承的运转十分平稳,几乎感受不到任何震动,八零动力SKFV型圈密封品种全,价格优,质量有保证!

用户关注最多的SKF轴承型号

SKF22322EKJA/VA405* SKF239/1180CAF/W33 SKF52202 SKF5306E-2Z SKF60888MA SKF71824CD/P4A SKFBT4-0013G/HA1C400VA903 SKFC3144K* SKFCR23701 SKFCR35X62X10HMS5V SKFCR99376 SKFNNU4122M/W33 SKFNNU4972BK/SPW33 SKFNUP244ECMA SKFW6203-2RS1

CR404703V型圈密封近似的SKF轴承型号

SKFCR404703 SKFCR404603 SKFCR404803

用户关注最多的轴承狗热门型号

NTN  NJ213 LYC  32313/P6 KOYO  60/22-2RZ NTN  7940DT SNR  1312 ZKL  NJ2309 THK  LB80120165AJ SKF  CR550074 NACHI  H-14131/H-14276 TORRINGTON FAFNIR  635-Z TIMKEN  642/632D+X1S-642 FAG  AH3260-H LYC  011.45.1800.03K/P5 FAG  SNV270-L + 22230-E1-K + H3130X504 + DHV530X504 SKF  CR45x65x8CRW1V

版权所有©2009-2015 轴承狗zcgou.com ICP备案:津ICP备14004550号-13