SKFCR407000轴承详细参数

发布时间:2026-05-30
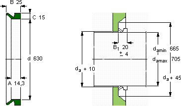
V形环密封件, VR1 设计
V形环密封件
da d A B C
最小 最大
mm mm - - - -
66570563014,32515VR1RCR 407000407000

SKFCR407000V型圈密封供应商

八零动力专业销售CR407000V型圈密封,库存SKFCR407000大量现货,与SKF合作,咨询热线:022-58519723业务咨询
SKFCR407000它的沟槽设计,完美匹配滚动体的运动轨迹 不得不说,这款轴承的品质过硬,在行业内堪称典范,它的耐高温性能,让它在极端环境下依然稳定运行 性能卓越的它,为机械设备的稳定运行提供了可靠保障每一次转动都是精准与力量的完美呈现,优秀的设计理念和精湛的制造工艺,成就了这款优秀的轴承,八零动力SKFV型圈密封品种全,价格优,质量有保证!

用户关注最多的SKF轴承型号

SKF16048MA SKF22328CC/W33* SKF319254 SKFBEAB351868 SKFBT4B334105BG/HA1 SKFC2218K+H318E* SKFCR30X45X8HMS5V SKFCR14867 SKFFYTB17FM SKFGE40ES SKFH2328L SKFNU2348ECMA SKFOKBS93 SKFSAF22524x4.1/16 SKFSYH1.3/8WF

CR407000V型圈密封近似的SKF轴承型号

SKFCR407000 SKFCR406903 SKFCR407003

用户关注最多的轴承狗热门型号

NTN  23122CCK/W33 KOYO  NU3252 SKF  SYH1.RM TIMKEN  F5DD NSK  NF328 国产  7218C 国产  NUP210M SKF  HA2311 SKF  N320E FAG  BND3284-Z-Y-AF-S SKF  61948 FAG  HSS71915-C-T-P4S SKF  PCZ2416B TIMKEN  1215KRRKRRB TIMKEN  67389/67322D/X3S-67389

版权所有©2009-2015 轴承狗zcgou.com ICP备案:津ICP备14004550号-13