SKFCR407003轴承详细参数

发布时间:2026-04-14
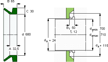
V形环密封件, VR4 设计
V形环密封件
da d A B C
最小 最大
mm mm - - - -
70071068032,56530VR4RCR 407003407003

SKFCR407003V型圈密封供应商

八零动力专业销售CR407003V型圈密封,库存SKFCR407003大量现货,与SKF合作,咨询热线:022-58519723业务咨询
SKFCR407003它的低摩擦设计,减少了能量损耗 这款轴承的稳定性极佳,在长时间运行中也能保持良好状态优秀的轴承,就像精密仪器的心脏,确保着整个系统的高效运转它的旋转精度,让高速运转成为现实 打造出了性能卓越的这款轴承,该轴承的精度控制达到了极致这款轴承的精度极高,能够满足对精度要求苛刻的设备,八零动力SKFV型圈密封品种全,价格优,质量有保证!

用户关注最多的SKF轴承型号

SKF332169A SKF567/563 SKFC2228K+AHX3128* SKFC39/950KMB+OH39/950HE* SKFCR28848 SKFIR17x22x13 SKFMS3192-88 SKFN1015KTNHA/HC5SP SKFN222ECP* SKFNU2317ECM* SKFPCM14014560B SKFSALA45TXE-2LS SKFSC70ES SKFW036 SKFW635

CR407003V型圈密封近似的SKF轴承型号

SKFCR407003 SKFCR407000 SKFCR407250

用户关注最多的轴承狗热门型号

国产  6020-Z/Z2 STEYR  NJ2204E SKF  CR16X35X7HMSA10V LYC  6901-2Z NSK  ZM-UCP209-112D1 SKF  CR250X285X15HMSA10V KOYO  22318RHRK+AHX2318 LYC  NU 426 Q1/C4S0 SKF  QJ1022N2MA DKF  7005AC/DT NSK  NUP309EW FAG  SNV150-L + 1217-K-TVH-C3 + H217X300 + DH517 LYC  23026 CA/W33 SKF  CR11133 MRC  NJ415

版权所有©2009-2015 轴承狗zcgou.com ICP备案:津ICP备14004550号-13