SKFCR400704轴承详细参数

发布时间:2026-04-15
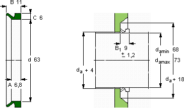
V形环密封件, VR1 设计
V形环密封件
da d A B C
最小 最大
mm mm - - - -
6873636,8116VR1VCR 400704400704

SKFCR400704V型圈密封供应商

八零动力专业销售CR400704V型圈密封,库存SKFCR400704大量现货,与SKF合作,咨询热线:022-58519723业务咨询
SKFCR400704精湛的工艺打造出的轴承,精度和稳定性都令人称赞它在航空航天领域的应用,展现了它的高可靠性 卓越的设计理念,赋予了这款轴承超凡的性能其质量上乘,是众多机械设备不可或缺的优质配件畅享稳定顺滑的旋转之旅,以精湛工艺铸就,八零动力SKFV型圈密封品种全,价格优,质量有保证!

用户关注最多的SKF轴承型号

SKF29376 SKF32315 SKF33017/Q SKF59160M SKF6315N* SKF7340B SKFBT4-8025G/HA1C300VA903 SKFBTM100B/P4CDBB SKFCR1100257 SKFCR32385 SKFCR39350 SKFHMV82E SKFNCF18/530V SKFPCM657050B SKFSNL612TURU

CR400704V型圈密封近似的SKF轴承型号

SKFCR400704 SKFCR400701 SKFCR400705

用户关注最多的轴承狗热门型号

NACHI  6024N SKF  31316J1/QCL7C NSK  CM-UCF202-010D1 国产  6012-NR NTN  UK316+H2316 SKF  71918ACD/HCP4A SNR  1312 SKF  316624 NTN  6008-RS SKF  OH2348H MRC  7217AC RHP  7304B/DB SKF  16018 IKO  AZ8011528 IKO  LBE12UU

版权所有©2009-2015 轴承狗zcgou.com ICP备案:津ICP备14004550号-13