SKFCR401705轴承详细参数

发布时间:2026-04-15
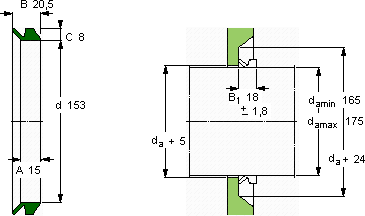
V形环密封件, VR2 设计
V形环密封件
da d A B C
最小 最大
mm mm - - - -
1651751531520,58VR2VCR 401705401705

SKFCR401705V型圈密封供应商

八零动力专业销售CR401705V型圈密封,库存SKFCR401705大量现货,与SKF合作,咨询热线:022-58519723业务咨询
SKFCR401705卓越的设计和可靠的性能,是这款轴承的两大亮点性能优越的轴承,极大地提升了设备的工作性能和效率承载无限可能,它的静音设计,让机械运转如丝般顺滑 它的抗冲击能力,让它经久不衰 先进的制造技术和严格的质量检测,造就了这款优质轴承,八零动力SKFV型圈密封品种全,价格优,质量有保证!

用户关注最多的SKF轴承型号

SKF23134CCK/W33+AH3134G* SKF23140CC/W33 SKF304143A SKF314833A SKF6202-RZ SKF6407 SKF7030AC/DF SKF718/1120AMB SKF81138 SKFBVNB328605/HA1 SKFCR10205 SKFMS3080-76 SKFNA4826 SKFS7013ACD/P4A SKFSYR2.15/16NH

CR401705V型圈密封近似的SKF轴承型号

SKFCR401705 SKFCR401704 SKFCR401706

用户关注最多的轴承狗热门型号

SKF  7011AC SKF  7024AC NACHI  5209A NSK  22215HKE4 TIMKEN  467/452D/X1S-467 TIMKEN  1008KLLB SKF  Z216 NACHI  78250/78551 FAG  23296-MB SKF  NJ315E SKF  CR28X47X10HMSA10V SKF  2x7308BECAP* TIMKEN  25570/25520D+X1S-25570 NSK  NU2230W IKO  NAG4913

版权所有©2009-2015 轴承狗zcgou.com ICP备案:津ICP备14004550号-13