SKF7319BEGAM*轴承详细参数

发布时间:2026-04-14
角接触球轴承, 单列
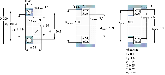
主要数据尺寸 尺寸 [英寸] 疲劳负荷限值 额定速度 体积 型号
动态 静态 参照速度 限制速度
d D B C C0 Pu * - SKF Explorer 轴承
mm kN kN r/min kg -
95200451801635,7430043006,417319 BEGAM *

SKF7319BEGAM*角接触球轴承供应商

八零动力专业销售7319BEGAM*角接触球轴承,库存SKF7319BEGAM*大量现货,与SKF合作,咨询热线:022-58519723业务咨询
SKF7319BEGAM*精湛的制造工艺赋予了这款轴承卓越的性能和品质 其设计和制造都达到了极高的水准,是一款不可多得的轴承轴承的耐用性极佳,能够承受高强度的工作负荷为您创造更多可能,它的耐腐蚀性,让它经久不衰 运转起来如此顺滑,这款轴承的制造工艺着实令人赞叹,八零动力SKF角接触球轴承品种全,价格优,质量有保证!

用户关注最多的SKF轴承型号

SKF5313A* SKF7213B/DB SKFAHX3128 SKFAOH240/600 SKFCR35X47X8HMSA10RG SKFCR99401 SKFHA315E SKFHK0910 SKFNJ209E+HJ209E SKFNNC4980CV SKFPCM10010580M SKFPCM252825B SKFPCMW142601.5M SKFPF1.WF SKFSNL3138G

7319BEGAM*角接触球轴承近似的SKF轴承型号

SKF7319BECBM* SKF7319BEP SKF7319BECBP SKF7319B/DF SKF2x7319BEGAY SKF2x7319BECBY SKF7319BEGAY SKF2x7319BECBM* SKF7319BECBM SKF7319B SKF7319BEGAF SKF7319BEGAY

用户关注最多的轴承狗热门型号

INA  NRB5X39,8-G2 SKF  KD21-705 NTN  23218CCK/W33 SKF  2x708/600AGMB MRC  5200-SBKZ 国产  3202ANRTN1 FAG  BND3238-H-W-T-BL-S RIV  NUP210 NTN  7210B/DT MRC  N414 MRC  N208 FAG  SNV230-L + 20226-K-MB-C3 + H3026X407 + FSV526X407 LYC  011.20.945.03 SNR  6200-RS IKO  CFE16B

版权所有©2009-2015 轴承狗zcgou.com ICP备案:津ICP备14004550号-13