SKF7319BECBM*轴承详细参数

发布时间:2026-05-29
角接触球轴承, 单列
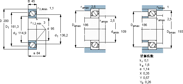
主要数据尺寸 尺寸 [英寸] 疲劳负荷限值 额定速度 体积 型号
动态 静态 参照速度 限制速度
d D B C C0 Pu * - SKF Explorer 轴承
mm kN kN r/min kg -
95200451801635,7430043006,417319 BECBM *

SKF7319BECBM*角接触球轴承供应商

八零动力专业销售7319BECBM*角接触球轴承,库存SKF7319BECBM*大量现货,与SKF合作,咨询热线:022-58519723业务咨询
SKF7319BECBM*这轴承的制造工艺精湛,展现出了极高的工业水准它的静音设计,让机械运转如丝般顺滑 是您值得信赖的工业伙伴,为您的机械保驾护航没有轴承,现代机械将寸步难行,性能优越的轴承,极大地提高了设备的工作效率和稳定性它的加工设备,代表了世界领先水平 ,八零动力SKF角接触球轴承品种全,价格优,质量有保证!

用户关注最多的SKF轴承型号

SKF22338CCK/W33 SKFC2217KV+H317* SKFCR13569 SKFCR40x60x8CRW1R SKFCR99267 SKFNCF1856V SKFNNC4928CV SKFNU2210ECP SKFNU419M SKFNUP2315ECP* SKFP30TF SKFPFD40RM SKFPCMF202321.5B SKFPCMS1005001.0M SKFSYF35TF

7319BECBM*角接触球轴承近似的SKF轴承型号

SKF7319BECBY SKF2x7319BEGBY SKF7319BEM SKF7319BEGAF SKF7319BEP SKF7319BEP SKF7319BEGAY SKF2x7319BECBY SKF2x7319BECBM* SKF7319B/DT SKF7319BEP SKF7319BECBP*

用户关注最多的轴承狗热门型号

SKF  RNAO35x45x26 KOYO  M667947D/911/911D KOYO  6013-2RS SKF  NCF18/750V NTN  7813CDT NTN  AS5070 FAG  N1015-K-M1-SP SKF  NJ212E TIMKEN  495-S/493D STEYR  2220 LYC  UCP 214 LYC  NU 312 NACHI  NUP2222E INA  TSUWZ20-PD NTN  22219BK+AHX319

版权所有©2009-2015 轴承狗zcgou.com ICP备案:津ICP备14004550号-13