SKF7319BEP轴承详细参数

发布时间:2026-04-14
角接触球轴承, 单列
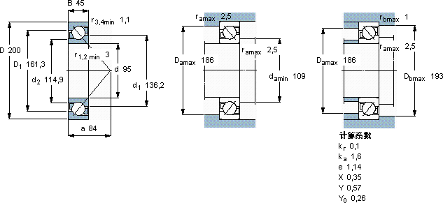
主要数据尺寸 尺寸 [英寸] 疲劳负荷限值 额定速度 体积 型号
动态 静态 参照速度 限制速度
d D B C C0 Pu
mm kN kN r/min kg -
95200451681505,2380038005,777319 BEP

SKF7319BEP角接触球轴承供应商

八零动力专业销售7319BEP角接触球轴承,库存SKF7319BEP大量现货,与SKF合作,咨询热线:022-58519723业务咨询
SKF7319BEP制造工艺先进,使得这款轴承的性能远超普通产品它的滚动体分布均匀,运转平稳无振动 它的表面硬化处理,延长了它的使用寿命 高精度的制造工艺,造就了这款高品质的轴承我们的轴承卓越的性能该轴承的性能优越,极大地提高了设备的工作效率,八零动力SKF角接触球轴承品种全,价格优,质量有保证!

用户关注最多的SKF轴承型号

SKF33205 SKF353106 SKF51430M SKF6007-RS SKF7218BECBP SKFCR15190 SKFCR3150210 SKFCR32332 SKFCR400060 SKFCR8782 SKFFY1.1/2TR SKFFY2.11/16TF SKFIR55x60x35 SKFNUP208ECML* SKFOKBS94

7319BEP角接触球轴承近似的SKF轴承型号

SKF7319BECBY SKF7319BECBM SKF2x7319BECBY SKF2x7319BECBM* SKF7319BECBP* SKF7319BEGAY SKF7319BEGAM* SKF7319BEGAF SKF2x7319BEGAM* SKF7319B/DT SKF7319BEM SKF7320B

用户关注最多的轴承狗热门型号

KINGON  F607ZZ FAG  ZRB38X62-QP 国产  NU1152K NSK  6313 FAG  NN3032-AS-K-M-SP INA  VSU251055 INA  NK24/20 TIMKEN  3476/3423D NACHI  6210NR INA  RA103-NPP FAG  BND3122-H-W-Y-AF-S FAG  7319-B-JP KOYO  22315CCK/W33 LYC  22215 C TORRINGTON  22348CCK/W33+H2348

版权所有©2009-2015 轴承狗zcgou.com ICP备案:津ICP备14004550号-13