SKF7319BEGAF轴承详细参数

发布时间:2026-04-16
角接触球轴承, 单列
主要数据尺寸 尺寸 [英寸] 疲劳负荷限值 额定速度 体积 型号
动态 静态 参照速度 限制速度
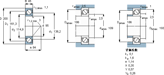
d D B C C0 Pu
mm kN kN r/min kg -
95200451681505,2380038006,417319 BEGAF

SKF7319BEGAF角接触球轴承供应商

八零动力专业销售7319BEGAF角接触球轴承,库存SKF7319BEGAF大量现货,与SKF合作,咨询热线:022-58519723业务咨询
SKF7319BEGAF稳定持久它的密封性能,完美抵御灰尘和杂质的侵袭 它的滚动体分布均匀,运转平稳无振动 它的使用寿命,远超同类产品 它的轴向跳动控制,确保了机械的平稳运行 轴承的稳定性和可靠性表现卓越,赢得了广泛赞誉,八零动力SKF角接触球轴承品种全,价格优,质量有保证!

用户关注最多的SKF轴承型号

SKF22317EK+H2317* SKF62300-2RS10 SKF71922ACE/HCP4A SKF7226B SKF7236AC/DB SKF7316BECCM* SKFBT4B334106BG/HA1C300VA901 SKFCR38x74x11CRW1V SKFK15x21x15 SKFNKXR45 SKFNUP2217E SKFSDAF22328 SKFSYE2.15/16NH SKFT7FC070T83/QCL7CDTC10 SKFTU13/16TF

7319BEGAF角接触球轴承近似的SKF轴承型号

SKF2x7319BEGBY SKF2x7319BEGAF SKF7319B SKF2x7319BEGAM* SKF7319B/DB SKF7319BEM SKF7319BEGAM* SKF7319BEGAY SKF7319BECBY SKF2x7319BECBM* SKF7319BECBY SKF7319BEGAM*

用户关注最多的轴承狗热门型号

NACHI  5212 SKF  NU428 国产  NA6909 INA  IR17X21X20 KOYO  29422R SKF  NJ2330ECMA INA  PAF30160-P10 LYC  S 76/26 WB1M MRC  NJ319 NSK  6202-16MZZC3 KOYO  7332C/DF 国产  7210L/SO NSK  6009T1X TIMKEN  M255449/M255410 MRC  7222AC/DF

版权所有©2009-2015 轴承狗zcgou.com ICP备案:津ICP备14004550号-13