SKF7319BECBY轴承详细参数

发布时间:2026-05-29
角接触球轴承, 单列
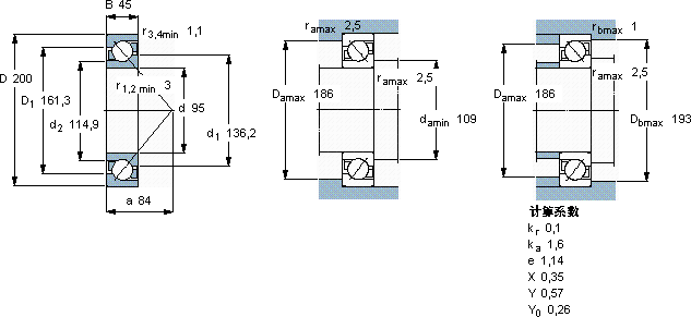
主要数据尺寸 尺寸 [英寸] 疲劳负荷限值 额定速度 体积 型号
动态 静态 参照速度 限制速度
d D B C C0 Pu
mm kN kN r/min kg -
95200451781635,6380038006,177319 BECBY

SKF7319BECBY角接触球轴承供应商

八零动力专业销售7319BECBY角接触球轴承,库存SKF7319BECBY大量现货,与SKF合作,咨询热线:022-58519723业务咨询
SKF7319BECBY每一次旋转,都是品质的见证,出色的性能表现,让这款轴承成为行业内的明星产品,精湛的工艺打造出的轴承,精度和稳定性都令人称赞这轴承的质量过硬,经得起时间和高强度工作的考验它的抗冲击性能,让它经得起各种考验 稳定的传奇,八零动力SKF角接触球轴承品种全,价格优,质量有保证!

用户关注最多的SKF轴承型号

SKF23034CCK/33+H3034 SKF313651 SKF52204 SKF71952ACD/P4A SKF7213BECBP SKFC30/800KMB+AOH30/800* SKFC3976KMB+OH3976HE* SKFCR90810 SKFHK3016 SKFPFD13/16WF SKFSAF1313 SKFSAF22232 SKFSYE1.11/16N SKFWS81176 SKFYAR205-015-2F

7319BECBY角接触球轴承近似的SKF轴承型号

SKF7319B/DB SKF7319BEGAF SKF7319BECBM SKF7319BECBY SKF7319BEM SKF7319BEGAM* SKF7319B/DT SKF7319B/DF SKF2x7319BEGBY SKF2x7319BECBY SKF7319BECBP* SKF7319BEGAF

用户关注最多的轴承狗热门型号

SKF  FY1.1/16FM FAG  SNV160-L + 23218-E1-K-TVPB + H2318X302 + DHV518 国产  5134M LYC  HM 133444/63 LYC  569164/P6 KOYO  21317CCK FAG  SNV215-L + 21320-E1-K-TVPB + H320X311 + TSV620X311 MRC  71924C NSK  2304 SKF  TVN212WA GMN  71915C/DT SKF  FYT2.3/16RM NTN  23034BK+H3034 IKO  CR32UU IKO  NA6909U

版权所有©2009-2015 轴承狗zcgou.com ICP备案:津ICP备14004550号-13