SKF7319BEGAY轴承详细参数

发布时间:2026-04-15
角接触球轴承, 单列
主要数据尺寸 尺寸 [英寸] 疲劳负荷限值 额定速度 体积 型号
动态 静态 参照速度 限制速度
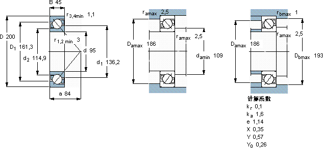
d D B C C0 Pu
mm kN kN r/min kg -
95200451781635,6380038006,177319 BEGAY

SKF7319BEGAY角接触球轴承供应商

八零动力专业销售7319BEGAY角接触球轴承,库存SKF7319BEGAY大量现货,与SKF合作,咨询热线:022-58519723业务咨询
SKF7319BEGAY先进的生产工艺,让这款轴承的性能得到了极大提升它的高可靠性,减少了设备停机时间 设计合理、性能优良的它,是机械设备实现高效运行的重要保障零误差起步它的品质卓越,为机械设备的高效、稳定运行保驾护航它的润滑技术,减少了摩擦和磨损 ,八零动力SKF角接触球轴承品种全,价格优,质量有保证!

用户关注最多的SKF轴承型号

SKF23172CC/W33 SKF61901-2RZ SKF5312E SKF7000C/DT SKF7016ACD/HCP4A SKFCR23815 SKFCR35676 SKFCR409000 SKFFT1/2FM SKFH3122 SKFNNU4960/W33 SKFNU2211ECP* SKFPCMS2005001.5B SKFPWM809080 SKFSYE3.1/2H-18

7319BEGAY角接触球轴承近似的SKF轴承型号

SKF7319B/DB SKF7319BEGAY SKF2x7319BECBY SKF7319BECBY SKF2x7319BEGBY SKF7319BECBP* SKF7319BEGAF SKF7319BEGAM* SKF7319BECBM SKF7319BEM SKF7319BEGAM* SKF7319BEGBY

用户关注最多的轴承狗热门型号

FAG  SNV080-L + 1208-K-TVH-C3 + H208X104 + DH508X104 NACHI  120KBD030 KOYO  NU2218 NSK  23076CAMKE4 INA  K89412-TV NSK  7003A5TYNP5 国产  UCPA209 LYC  510/500 SKF  PCM30030550M NTN  7217AC/DB KOYO  7010C/DB ZKL  NJ216 SKF  PFD5/8FM LYC  FD-2787/1758 KOYO  7209B/DB

版权所有©2009-2015 轴承狗zcgou.com ICP备案:津ICP备14004550号-13