SKF2x7319BEGAF轴承详细参数

发布时间:2026-05-30
角接触球轴承, 单列,用于配对安装, 面对面配对
主要数据尺寸 基本负荷额定值 疲劳负荷限值 额定速度 体积 型号 轴承配对
动态 静态 参照速度 限制速度
d D 2B C C0 Pu
mm kN kN r/min kg --
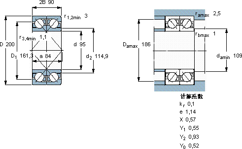
952009027030010,43000380012,82 × 7319 BEGAFDF

SKF2x7319BEGAF角接触球轴承供应商

八零动力专业销售2x7319BEGAF角接触球轴承,库存SKF2x7319BEGAF大量现货,与SKF合作,咨询热线:022-58519723业务咨询
SKF2x7319BEGAF它的耐腐蚀性,让它经久不衰 这轴承的稳定性极佳,即使在恶劣环境下也能正常工作这款轴承的性能卓越,有效提升了设备的整体性能和可靠性它在船舶工业中的应用,展现了它的耐腐蚀性 卓越的性能表现,让这款轴承在市场上脱颖而出减少摩擦降低能耗,八零动力SKF角接触球轴承品种全,价格优,质量有保证!

用户关注最多的SKF轴承型号

SKF23024CCK/W33 SKF240/1060CAF/W33 SKF2x7317BEGBY SKFC3080KM+AOH3080G* SKFCR1781502 SKFCR18626 SKFCR32396 SKFCR403203 SKFCR6763 SKFN1012KTN/SP SKFNJ307ECML* SKFPCM13514060E SKFRNA6909 SKFRNAO20x28x26 SKFSNL3060/10.15/16TURT

2x7319BEGAF角接触球轴承近似的SKF轴承型号

SKF2x7319BEGAM* SKF7319BEP SKF2x7319BEGAF SKF7319BEGAY SKF2x7319BECBP* SKF7319B/DT SKF7319BECBP* SKF2x7319BECBM* SKF2x7319BEGAY SKF7319BEM SKF2x7319BECBY SKF2x7319BEGAM*

用户关注最多的轴承狗热门型号

RHP  7311B/DF NACHI  SN608FE NSK  NUP228EM SKF  CR25102 KOYO  6224ZZX FAG  SNV110-L + 22310-E1-K + H2310X111 + FSV610X111 NTN  231/670BK LYC  6309 E-2RZ/C2 MRC  6003-2Z NSK  7221CTY 国产  N311ETN1/Z2 NTN  61976 IKO  BAM2616 IKO  LRT121620 IKO  MAGLT5

版权所有©2009-2015 轴承狗zcgou.com ICP备案:津ICP备14004550号-13